lemon-mirror:
Home >> Lexus >> 2011 >> IS 350 Base, RWD >> Repair and Diagnosis >> Electrical >> Body Electrical >> OEM System Circuits >> Headlight Beam Level Control >> Notes

Headlight Beam Level Control: Notes

Fig 1: Headlight Beam Level Control - Circuit Diagram (1 Of 4)
G07581270Courtesy of © TOYOTA, LICENSE AGREEMENT TMS1002
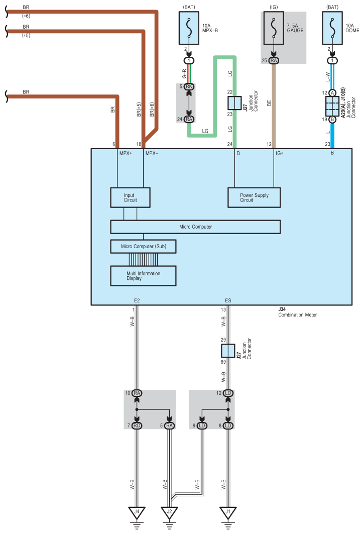
Fig 2: Headlight Beam Level Control - Circuit Diagram (2 Of 4)
G07581271Courtesy of © TOYOTA, LICENSE AGREEMENT TMS1002
Fig 3: Headlight Beam Level Control - Circuit Diagram (3 Of 4)
G07581272Courtesy of © TOYOTA, LICENSE AGREEMENT TMS1002
Fig 4: Headlight Beam Level Control - Circuit Diagram (4 Of 4)
G07581273Courtesy of © TOYOTA, LICENSE AGREEMENT TMS1002