lemon-mirror:
Home >> Lexus >> 2011 >> IS 350 Base, RWD >> Repair and Diagnosis >> Electrical >> Body Electrical >> OEM System Circuits >> Sliding Roof >> Notes

Sliding Roof: Notes

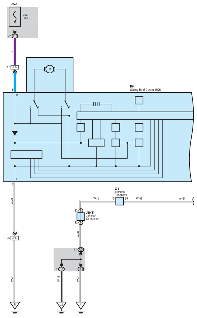
Fig 1: Sliding Roof - Circuit Diagram (1 Of 5)
G07581377Courtesy of © TOYOTA, LICENSE AGREEMENT TMS1002
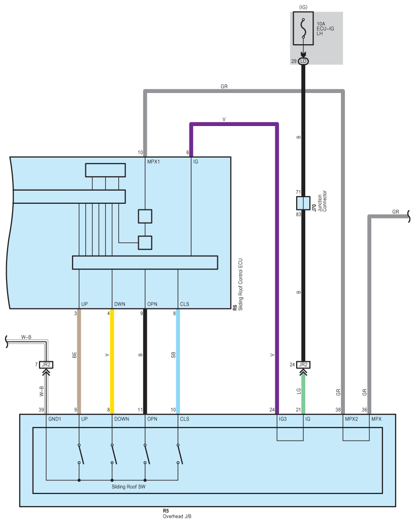
Fig 2: Sliding Roof - Circuit Diagram (2 Of 5)
G07581378Courtesy of © TOYOTA, LICENSE AGREEMENT TMS1002
Fig 3: Sliding Roof - Circuit Diagram (3 Of 5)
G07581379Courtesy of © TOYOTA, LICENSE AGREEMENT TMS1002
Fig 4: Sliding Roof - Circuit Diagram (4 Of 5)
G07581380Courtesy of © TOYOTA, LICENSE AGREEMENT TMS1002
Fig 5: Sliding Roof - Circuit Diagram (5 Of 5)
G07581381Courtesy of © TOYOTA, LICENSE AGREEMENT TMS1002