lemon-mirror:
Home >> Lexus >> 2011 >> IS 350C >> Repair and Diagnosis >> Electrical >> Body Electrical >> OEM System Circuits >> Cruise Control (4GR-FSE) >> Notes

Cruise Control (4GR-FSE): Notes

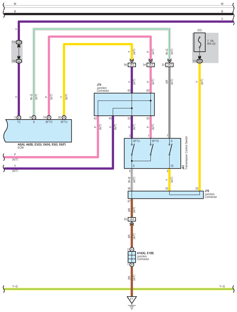
Fig 1: Cruise Control (4GR-FSE) - Circuit Diagram (1 Of 7)
G07585538Courtesy of © TOYOTA, LICENSE AGREEMENT TMS1002
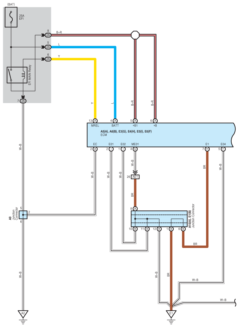
Fig 2: Cruise Control (4GR-FSE) - Circuit Diagram (2 Of 7)
G07585539Courtesy of © TOYOTA, LICENSE AGREEMENT TMS1002
Fig 3: Cruise Control (4GR-FSE) - Circuit Diagram (3 Of 7)
G07585540Courtesy of © TOYOTA, LICENSE AGREEMENT TMS1002
Fig 4: Cruise Control (4GR-FSE) - Circuit Diagram (4 Of 7)
G07585541Courtesy of © TOYOTA, LICENSE AGREEMENT TMS1002
Fig 5: Cruise Control (4GR-FSE) - Circuit Diagram (5 Of 7)
G07585542Courtesy of © TOYOTA, LICENSE AGREEMENT TMS1002
Fig 6: Cruise Control (4GR-FSE) - Circuit Diagram (6 Of 7)
G07585543Courtesy of © TOYOTA, LICENSE AGREEMENT TMS1002
Fig 7: Cruise Control (4GR-FSE) - Circuit Diagram (7 Of 7)
G07585544Courtesy of © TOYOTA, LICENSE AGREEMENT TMS1002