lemon-mirror:
Home >> Lexus >> 2011 >> IS 350C >> Repair and Diagnosis >> Electrical >> Body Electrical >> OEM System Circuits >> Dynamic Radar Cruise Control (2GR-FSE) >> Notes

Dynamic Radar Cruise Control (2GR-FSE): Notes

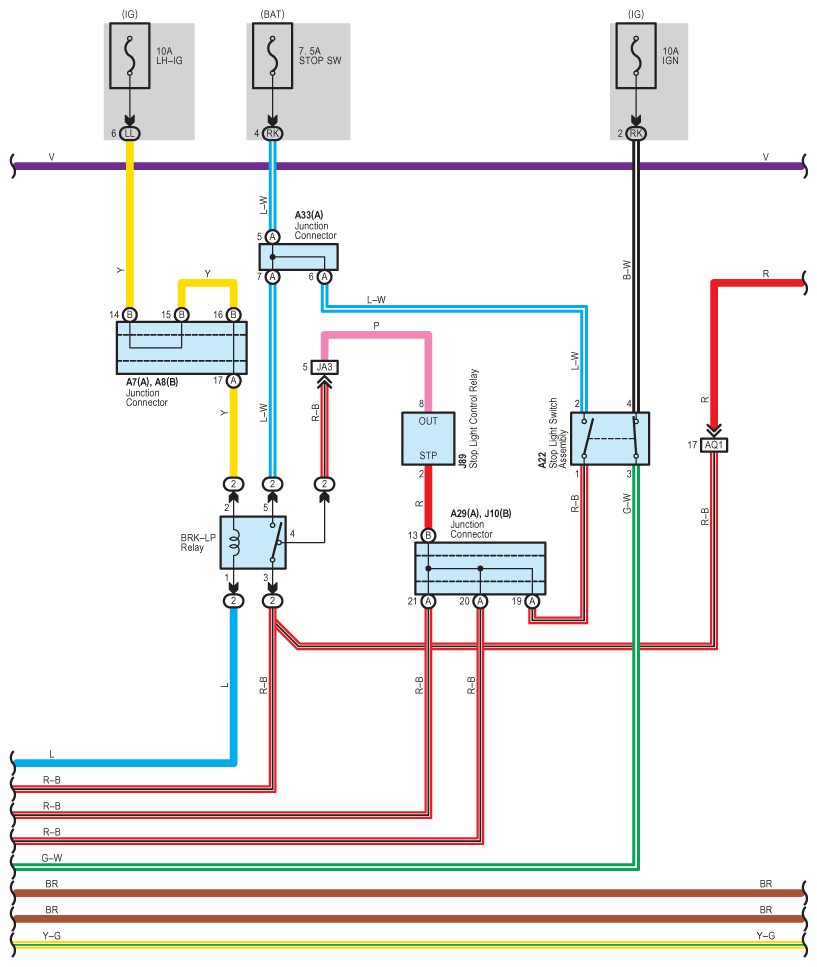
Fig 1: Dynamic Radar Cruise Control (2GR-FSE) - Circuit Diagram (1 Of 14)
G07585502Courtesy of © TOYOTA, LICENSE AGREEMENT TMS1002
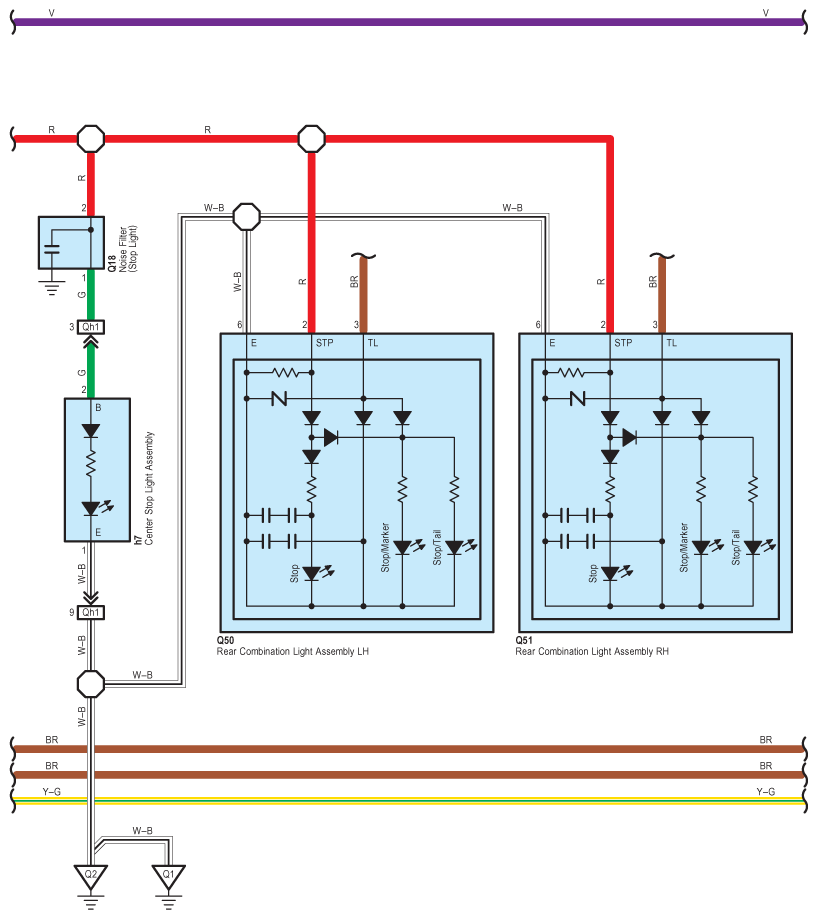
Fig 2: Dynamic Radar Cruise Control (2GR-FSE) - Circuit Diagram (2 Of 14)
G07585503Courtesy of © TOYOTA, LICENSE AGREEMENT TMS1002
Fig 3: Dynamic Radar Cruise Control (2GR-FSE) - Circuit Diagram (3 Of 14)
G07585504Courtesy of © TOYOTA, LICENSE AGREEMENT TMS1002
Fig 4: Dynamic Radar Cruise Control (2GR-FSE) - Circuit Diagram (4 Of 14)
G07585505Courtesy of © TOYOTA, LICENSE AGREEMENT TMS1002
Fig 5: Dynamic Radar Cruise Control (2GR-FSE) - Circuit Diagram (5 Of 14)
G07585506Courtesy of © TOYOTA, LICENSE AGREEMENT TMS1002
Fig 6: Dynamic Radar Cruise Control (2GR-FSE) - Circuit Diagram (6 Of 14)
G07585507Courtesy of © TOYOTA, LICENSE AGREEMENT TMS1002
Fig 7: Dynamic Radar Cruise Control (2GR-FSE) - Circuit Diagram (7 Of 14)
G07585508Courtesy of © TOYOTA, LICENSE AGREEMENT TMS1002
Fig 8: Dynamic Radar Cruise Control (2GR-FSE) - Circuit Diagram (8 Of 14)
G07585509Courtesy of © TOYOTA, LICENSE AGREEMENT TMS1002
Fig 9: Dynamic Radar Cruise Control (2GR-FSE) - Circuit Diagram (9 Of 14)
G07585510Courtesy of © TOYOTA, LICENSE AGREEMENT TMS1002
Fig 10: Dynamic Radar Cruise Control (2GR-FSE) - Circuit Diagram (10 Of 14)
G07585511Courtesy of © TOYOTA, LICENSE AGREEMENT TMS1002
Fig 11: Dynamic Radar Cruise Control (2GR-FSE) - Circuit Diagram (11 Of 14)
G07585512Courtesy of © TOYOTA, LICENSE AGREEMENT TMS1002
Fig 12: Dynamic Radar Cruise Control (2GR-FSE) - Circuit Diagram (12 Of 14)
G07585513Courtesy of © TOYOTA, LICENSE AGREEMENT TMS1002
Fig 13: Dynamic Radar Cruise Control (2GR-FSE) - Circuit Diagram (13 Of 14)
G07585514Courtesy of © TOYOTA, LICENSE AGREEMENT TMS1002
Fig 14: Dynamic Radar Cruise Control (2GR-FSE) - Circuit Diagram (14 Of 14)
G07585515Courtesy of © TOYOTA, LICENSE AGREEMENT TMS1002