lemon-mirror:
Home >> Lexus >> 2011 >> IS 350C >> Repair and Diagnosis >> Electrical >> Body Electrical >> OEM System Circuits >> Front Fog Light >> Notes

Front Fog Light: Notes

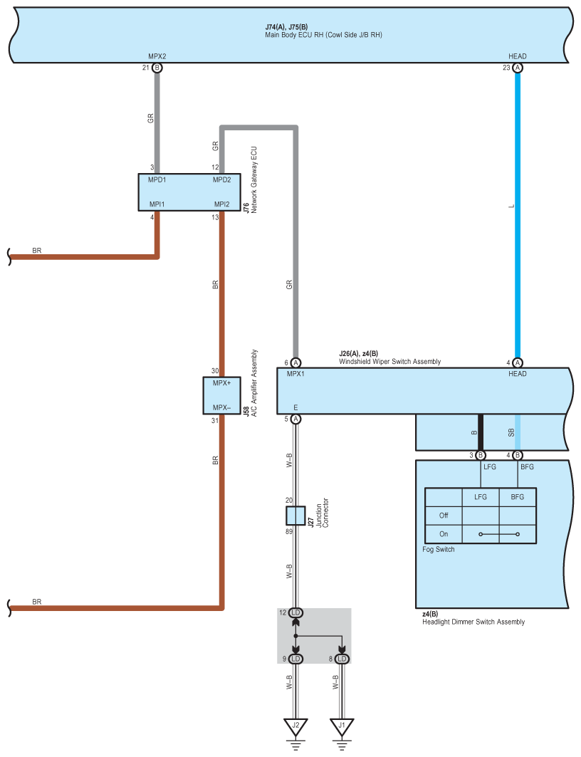
Fig 1: Front Fog Light - Circuit Diagram (1 Of 5)
G07585428Courtesy of © TOYOTA, LICENSE AGREEMENT TMS1002
Fig 2: Front Fog Light - Circuit Diagram (2 Of 5)
G07585429Courtesy of © TOYOTA, LICENSE AGREEMENT TMS1002
Fig 3: Front Fog Light - Circuit Diagram (3 Of 5)
G07585430Courtesy of © TOYOTA, LICENSE AGREEMENT TMS1002
Fig 4: Front Fog Light - Circuit Diagram (4 Of 5)
G07585431Courtesy of © TOYOTA, LICENSE AGREEMENT TMS1002
Fig 5: Front Fog Light - Circuit Diagram (5 Of 5)
G07585432Courtesy of © TOYOTA, LICENSE AGREEMENT TMS1002