lemon-mirror:
Home >> Lexus >> 2011 >> IS 350C >> Repair and Diagnosis >> Electrical >> Body Electrical >> OEM System Circuits >> Fuel Lid Opener >> Notes

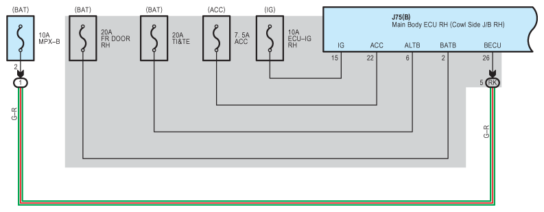
Fuel Lid Opener: Notes

Fig 1: Fuel Lid Opener - Circuit Diagram (1 Of 2)
G07585596Courtesy of © TOYOTA, LICENSE AGREEMENT TMS1002
Fig 2: Fuel Lid Opener - Circuit Diagram (2 Of 2)
G07585597Courtesy of © TOYOTA, LICENSE AGREEMENT TMS1002