lemon-mirror:
Home >> Lexus >> 2011 >> IS 350C >> Repair and Diagnosis >> Electrical >> Body Electrical >> OEM System Circuits >> Ignition (2GR-FSE) >> Notes

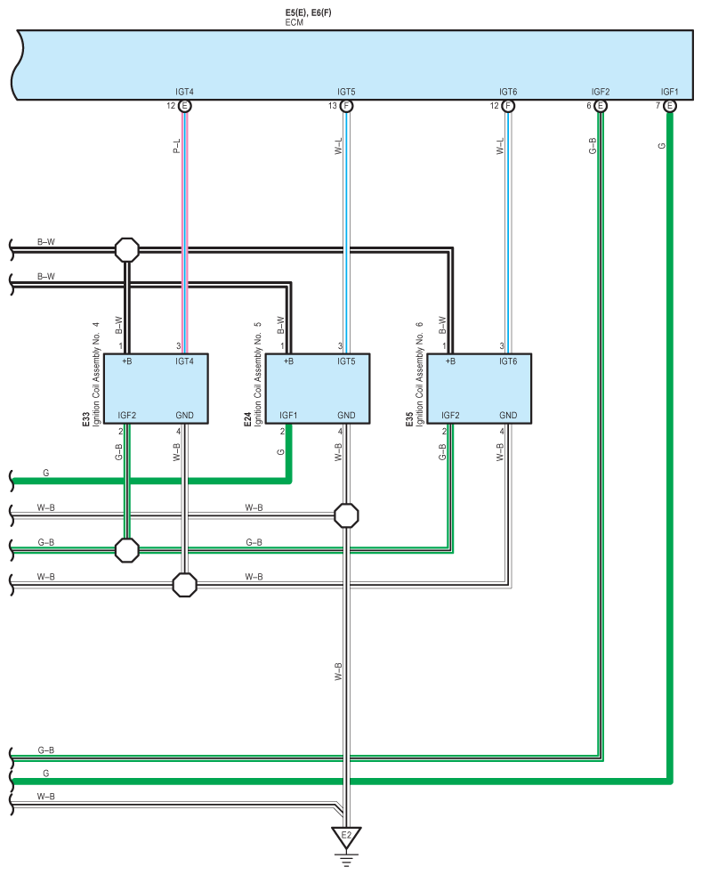
Ignition (2GR-FSE): Notes

Fig 1: Ignition (2GR-FSE) - Circuit Diagram (1 Of 2)
G07585337Courtesy of © TOYOTA, LICENSE AGREEMENT TMS1002
Fig 2: Ignition (2GR-FSE) - Circuit Diagram (2 Of 2)
G07585338Courtesy of © TOYOTA, LICENSE AGREEMENT TMS1002