lemon-mirror:
Home >> Lexus >> 2011 >> IS 350C >> Repair and Diagnosis >> Electrical >> Body Electrical >> OEM System Circuits >> Seat Belt Warning >> Notes

Seat Belt Warning: Notes

Fig 1: Seat Belt Warning - Circuit Diagram (1 Of 4)
G07585601Courtesy of © TOYOTA, LICENSE AGREEMENT TMS1002
Fig 2: Seat Belt Warning - Circuit Diagram (2 Of 4)
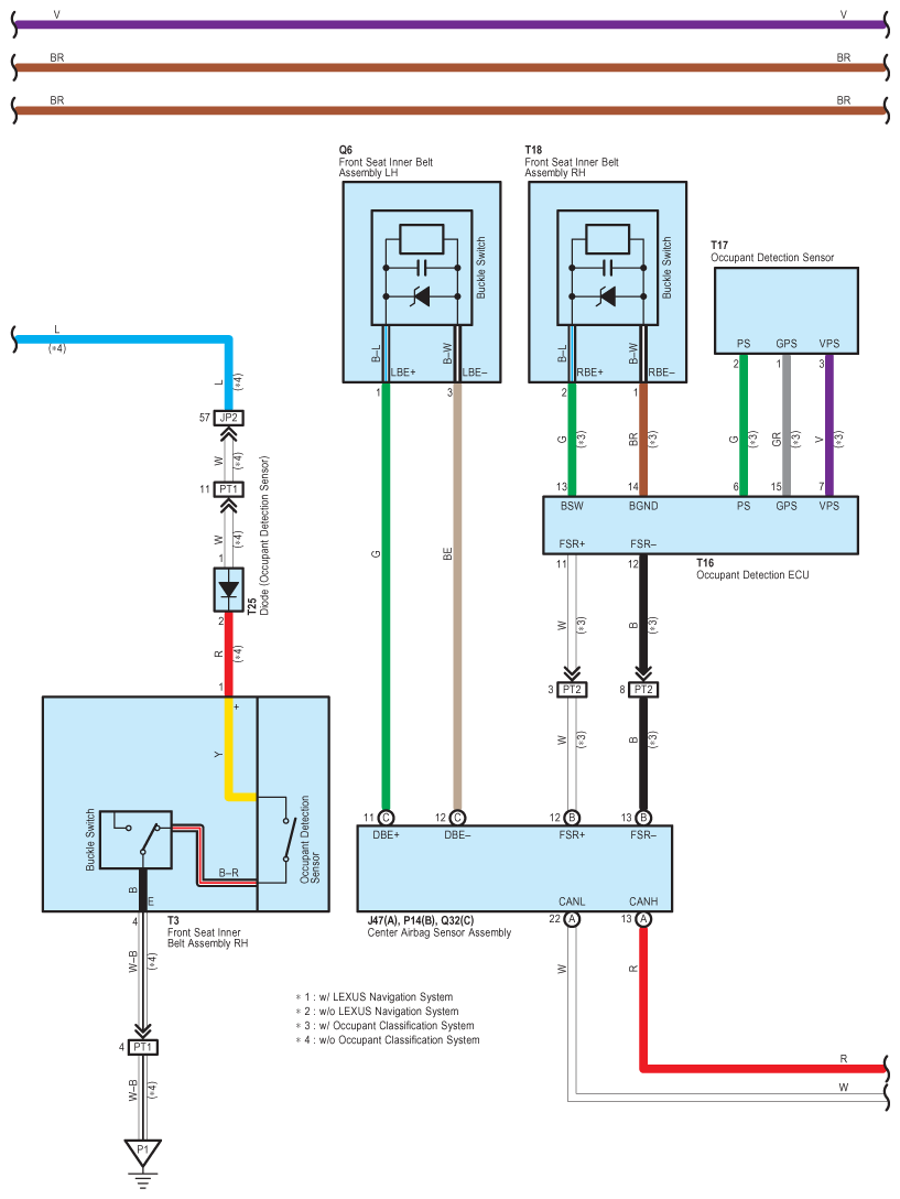
G07585602Courtesy of © TOYOTA, LICENSE AGREEMENT TMS1002
Fig 3: Seat Belt Warning - Circuit Diagram (3 Of 4)
G07585603Courtesy of © TOYOTA, LICENSE AGREEMENT TMS1002
Fig 4: Seat Belt Warning - Circuit Diagram (4 Of 4)
G07585604Courtesy of © TOYOTA, LICENSE AGREEMENT TMS1002