lemon-mirror:
Home >> Lexus >> 2011 >> IS 350C >> Repair and Diagnosis >> Electrical >> Body Electrical >> OEM System Circuits >> Taillight >> Notes

OEM System Circuits: Taillight: Notes

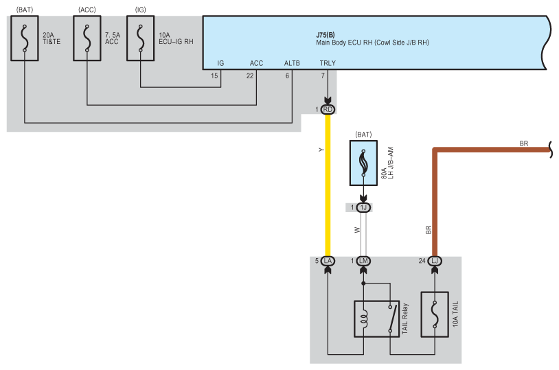
Fig 1: Taillight - Circuit Diagram (1 Of 8)
G07585417Courtesy of © TOYOTA, LICENSE AGREEMENT TMS1002
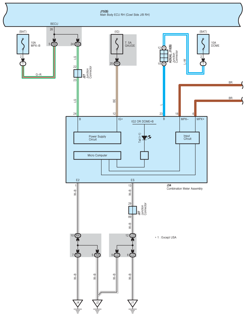
Fig 2: Taillight - Circuit Diagram (2 Of 8)
G07585418Courtesy of © TOYOTA, LICENSE AGREEMENT TMS1002
Fig 3: Taillight - Circuit Diagram (3 Of 8)
G07585419Courtesy of © TOYOTA, LICENSE AGREEMENT TMS1002
Fig 4: Taillight - Circuit Diagram (4 Of 8)
G07585420Courtesy of © TOYOTA, LICENSE AGREEMENT TMS1002
Fig 5: Taillight - Circuit Diagram (5 Of 8)
G07585421Courtesy of © TOYOTA, LICENSE AGREEMENT TMS1002
Fig 6: Taillight - Circuit Diagram (6 Of 8)
G07585422Courtesy of © TOYOTA, LICENSE AGREEMENT TMS1002
Fig 7: Taillight - Circuit Diagram (7 Of 8)
G07585423Courtesy of © TOYOTA, LICENSE AGREEMENT TMS1002
Fig 8: Taillight - Circuit Diagram (8 Of 8)
G07585424Courtesy of © TOYOTA, LICENSE AGREEMENT TMS1002