lemon-mirror:
Home >> Lexus >> 2011 >> IS F >> Repair and Diagnosis >> Electrical >> Body Electrical >> OEM System Circuits >> Engine Control, Electronically Controlled Transmission and A/T Indicator >> Notes

Engine Control, Electronically Controlled Transmission and A/T Indicator: Notes

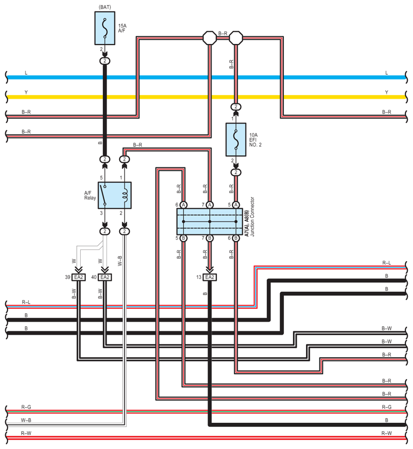
Fig 1: Engine Control, Electronically Controlled Transmission And A/T Indicator - Circuit Diagram (1 Of 30)
G07579959Courtesy of © TOYOTA, LICENSE AGREEMENT TMS1002
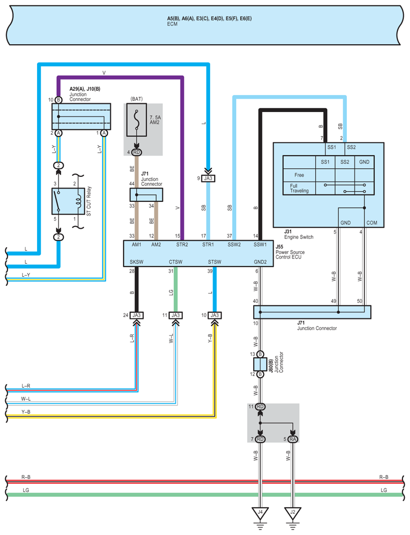
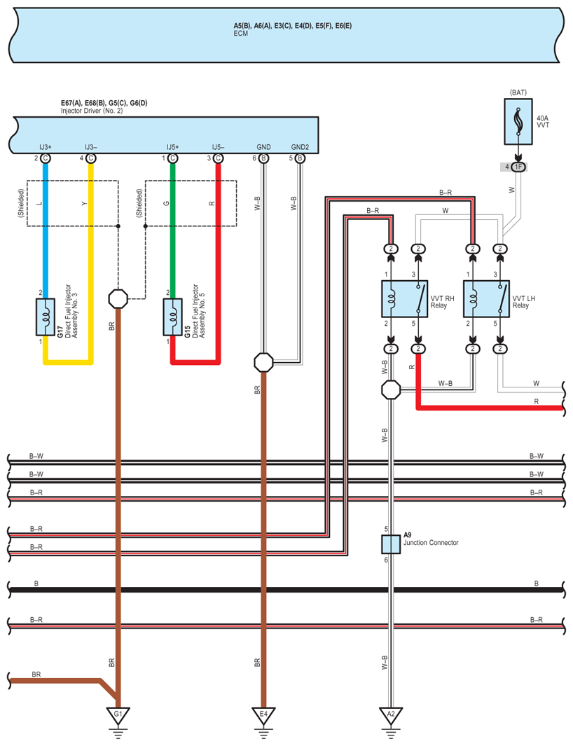
Fig 2: Engine Control, Electronically Controlled Transmission And A/T Indicator - Circuit Diagram (2 Of 30)
G07579960Courtesy of © TOYOTA, LICENSE AGREEMENT TMS1002
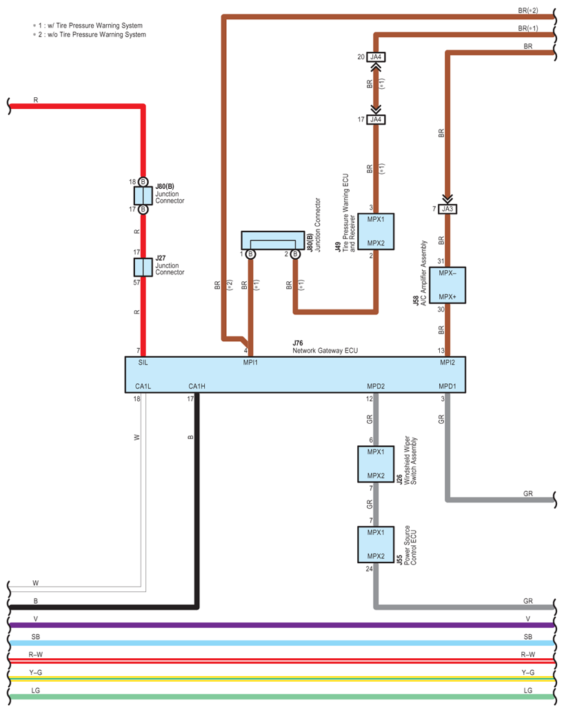
Fig 3: Engine Control, Electronically Controlled Transmission And A/T Indicator - Circuit Diagram (3 Of 30)
G07579961Courtesy of © TOYOTA, LICENSE AGREEMENT TMS1002
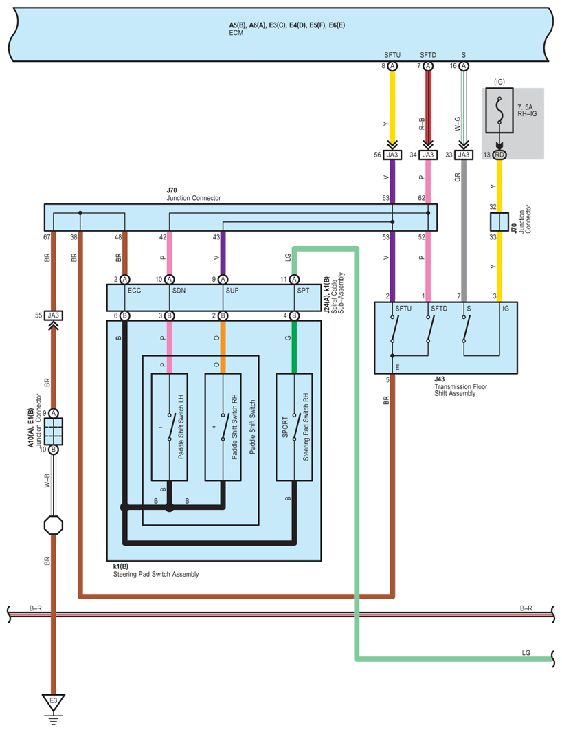
Fig 4: Engine Control, Electronically Controlled Transmission And A/T Indicator - Circuit Diagram (4 Of 30)
G07579962Courtesy of © TOYOTA, LICENSE AGREEMENT TMS1002
Fig 5: Engine Control, Electronically Controlled Transmission And A/T Indicator - Circuit Diagram (5 Of 30)
G07579963Courtesy of © TOYOTA, LICENSE AGREEMENT TMS1002
Fig 6: Engine Control, Electronically Controlled Transmission And A/T Indicator - Circuit Diagram (6 Of 30)
G07579964Courtesy of © TOYOTA, LICENSE AGREEMENT TMS1002
Fig 7: Engine Control, Electronically Controlled Transmission And A/T Indicator - Circuit Diagram (7 Of 30)
G07579965Courtesy of © TOYOTA, LICENSE AGREEMENT TMS1002
Fig 8: Engine Control, Electronically Controlled Transmission And A/T Indicator - Circuit Diagram (8 Of 30)
G07579966Courtesy of © TOYOTA, LICENSE AGREEMENT TMS1002
Fig 9: Engine Control, Electronically Controlled Transmission And A/T Indicator - Circuit Diagram (9 Of 30)
G07579967Courtesy of © TOYOTA, LICENSE AGREEMENT TMS1002
Fig 10: Engine Control, Electronically Controlled Transmission And A/T Indicator - Circuit Diagram (10 Of 30)
G07579968Courtesy of © TOYOTA, LICENSE AGREEMENT TMS1002
Fig 11: Engine Control, Electronically Controlled Transmission And A/T Indicator - Circuit Diagram (11 Of 30)
G07579969Courtesy of © TOYOTA, LICENSE AGREEMENT TMS1002
Fig 12: Engine Control, Electronically Controlled Transmission And A/T Indicator - Circuit Diagram (12 Of 30)
G07579970Courtesy of © TOYOTA, LICENSE AGREEMENT TMS1002
Fig 13: Engine Control, Electronically Controlled Transmission And A/T Indicator - Circuit Diagram (13 Of 30)
G07579971Courtesy of © TOYOTA, LICENSE AGREEMENT TMS1002
Fig 14: Engine Control, Electronically Controlled Transmission And A/T Indicator - Circuit Diagram (14 Of 30)
G07579972Courtesy of © TOYOTA, LICENSE AGREEMENT TMS1002
Fig 15: Engine Control, Electronically Controlled Transmission And A/T Indicator - Circuit Diagram (15 Of 30)
G07579973Courtesy of © TOYOTA, LICENSE AGREEMENT TMS1002
Fig 16: Engine Control, Electronically Controlled Transmission And A/T Indicator - Circuit Diagram (16 Of 30)
G07579974Courtesy of © TOYOTA, LICENSE AGREEMENT TMS1002
Fig 17: Engine Control, Electronically Controlled Transmission And A/T Indicator - Circuit Diagram (17 Of 30)
G07579975Courtesy of © TOYOTA, LICENSE AGREEMENT TMS1002
Fig 18: Engine Control, Electronically Controlled Transmission And A/T Indicator - Circuit Diagram (18 Of 30)
G07579976Courtesy of © TOYOTA, LICENSE AGREEMENT TMS1002
Fig 19: Engine Control, Electronically Controlled Transmission And A/T Indicator - Circuit Diagram (19 Of 30)
G07579977Courtesy of © TOYOTA, LICENSE AGREEMENT TMS1002
Fig 20: Engine Control, Electronically Controlled Transmission And A/T Indicator - Circuit Diagram (20 Of 30)
G07579978Courtesy of © TOYOTA, LICENSE AGREEMENT TMS1002
Fig 21: Engine Control, Electronically Controlled Transmission And A/T Indicator - Circuit Diagram (21 Of 30)
G07579979Courtesy of © TOYOTA, LICENSE AGREEMENT TMS1002
Fig 22: Engine Control, Electronically Controlled Transmission And A/T Indicator - Circuit Diagram (22 Of 30)
G07579980Courtesy of © TOYOTA, LICENSE AGREEMENT TMS1002
Fig 23: Engine Control, Electronically Controlled Transmission And A/T Indicator - Circuit Diagram (23 Of 30)
G07579981Courtesy of © TOYOTA, LICENSE AGREEMENT TMS1002
Fig 24: Engine Control, Electronically Controlled Transmission And A/T Indicator - Circuit Diagram (24 Of 30)
G07579982Courtesy of © TOYOTA, LICENSE AGREEMENT TMS1002
Fig 25: Engine Control, Electronically Controlled Transmission And A/T Indicator - Circuit Diagram (25 Of 30)
G07579983Courtesy of © TOYOTA, LICENSE AGREEMENT TMS1002
Fig 26: Engine Control, Electronically Controlled Transmission And A/T Indicator - Circuit Diagram (26 Of 30)
G07579984Courtesy of © TOYOTA, LICENSE AGREEMENT TMS1002
Fig 27: Engine Control, Electronically Controlled Transmission And A/T Indicator - Circuit Diagram (27 Of 30)
G07579985Courtesy of © TOYOTA, LICENSE AGREEMENT TMS1002
Fig 28: Engine Control, Electronically Controlled Transmission And A/T Indicator - Circuit Diagram (28 Of 30)
G07579986Courtesy of © TOYOTA, LICENSE AGREEMENT TMS1002
Fig 29: Engine Control, Electronically Controlled Transmission And A/T Indicator - Circuit Diagram (29 Of 30)
G07579987Courtesy of © TOYOTA, LICENSE AGREEMENT TMS1002
Fig 30: Engine Control, Electronically Controlled Transmission And A/T Indicator - Circuit Diagram (30 Of 30)
G07579988Courtesy of © TOYOTA, LICENSE AGREEMENT TMS1002