lemon-mirror:
Home >> Lexus >> 2011 >> IS F >> Repair and Diagnosis >> Electrical >> Body Electrical >> OEM System Circuits >> Front Wiper and Washer >> Notes

Front Wiper and Washer: Notes

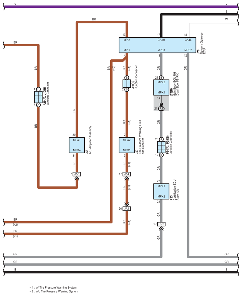
Fig 1: Front Wiper And Washer - Circuit Diagram (1 Of 9)
G07580058Courtesy of © TOYOTA, LICENSE AGREEMENT TMS1002
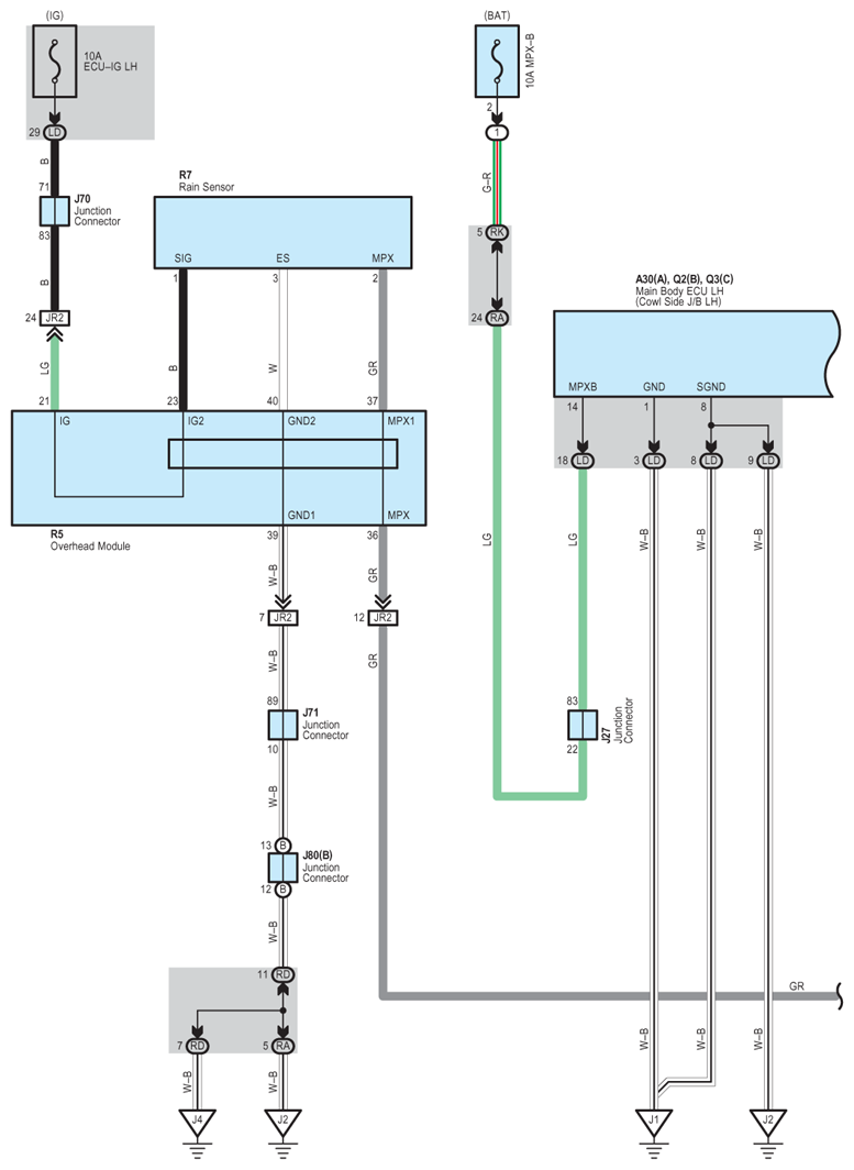
Fig 2: Front Wiper And Washer - Circuit Diagram (2 Of 9)
G07580059Courtesy of © TOYOTA, LICENSE AGREEMENT TMS1002
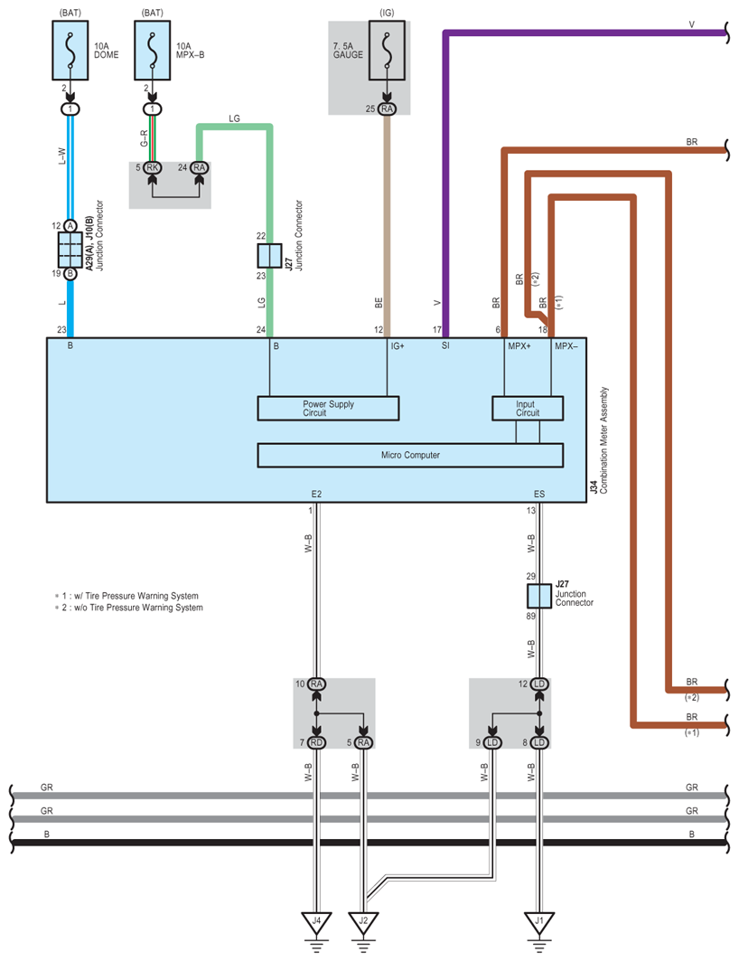
Fig 3: Front Wiper And Washer - Circuit Diagram (3 Of 9)
G07580060Courtesy of © TOYOTA, LICENSE AGREEMENT TMS1002
Fig 4: Front Wiper And Washer - Circuit Diagram (4 Of 9)
G07580061Courtesy of © TOYOTA, LICENSE AGREEMENT TMS1002
Fig 5: Front Wiper And Washer - Circuit Diagram (5 Of 9)
G07580062Courtesy of © TOYOTA, LICENSE AGREEMENT TMS1002
Fig 6: Front Wiper And Washer - Circuit Diagram (6 Of 9)
G07580063Courtesy of © TOYOTA, LICENSE AGREEMENT TMS1002
Fig 7: Front Wiper And Washer - Circuit Diagram (7 Of 9)
G07580064Courtesy of © TOYOTA, LICENSE AGREEMENT TMS1002
Fig 8: Front Wiper And Washer - Circuit Diagram (8 Of 9)
G07580065Courtesy of © TOYOTA, LICENSE AGREEMENT TMS1002
Fig 9: Front Wiper And Washer - Circuit Diagram (9 Of 9)
G07580066Courtesy of © TOYOTA, LICENSE AGREEMENT TMS1002