lemon-mirror:
Home >> Lexus >> 2011 >> IS F >> Repair and Diagnosis >> Electrical >> Body Electrical >> OEM System Circuits >> Headlight Beam Level Control >> Notes

Headlight Beam Level Control: Notes

Fig 1: Headlight Beam Level Control - Circuit Diagram (1 Of 4)
G07580050Courtesy of © TOYOTA, LICENSE AGREEMENT TMS1002
Fig 2: Headlight Beam Level Control - Circuit Diagram (2 Of 4)
G07580051Courtesy of © TOYOTA, LICENSE AGREEMENT TMS1002
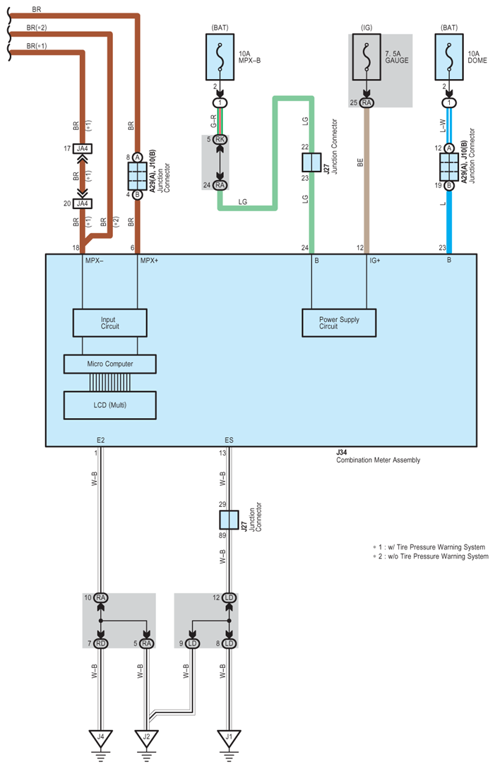
Fig 3: Headlight Beam Level Control - Circuit Diagram (3 Of 4)
G07580052Courtesy of © TOYOTA, LICENSE AGREEMENT TMS1002
Fig 4: Headlight Beam Level Control - Circuit Diagram (4 Of 4)
G07580053Courtesy of © TOYOTA, LICENSE AGREEMENT TMS1002