lemon-mirror:
Home >> Lexus >> 2011 >> IS F >> Repair and Diagnosis >> Electrical >> Body Electrical >> OEM System Circuits >> Headlight Cleaner >> Notes

Headlight Cleaner: Notes

Fig 1: Headlight Cleaner - Circuit Diagram (1 Of 4)
G07580054Courtesy of © TOYOTA, LICENSE AGREEMENT TMS1002
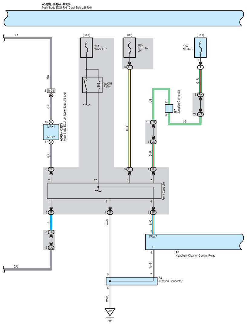
Fig 2: Headlight Cleaner - Circuit Diagram (2 Of 4)
G07580055Courtesy of © TOYOTA, LICENSE AGREEMENT TMS1002
Fig 3: Headlight Cleaner - Circuit Diagram (3 Of 4)
G07580056Courtesy of © TOYOTA, LICENSE AGREEMENT TMS1002
Fig 4: Headlight Cleaner - Circuit Diagram (4 Of 4)
G07580057Courtesy of © TOYOTA, LICENSE AGREEMENT TMS1002