lemon-mirror:
Home >> Lexus >> 2011 >> IS F >> Repair and Diagnosis >> Electrical >> Body Electrical >> OEM System Circuits >> Mirror Heater and Rear Window Defogger >> Notes

Mirror Heater and Rear Window Defogger: Notes

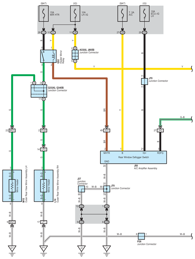
Fig 1: Mirror Heater And Rear Window Defogger - Circuit Diagram (1 Of 2)
G07580182Courtesy of © TOYOTA, LICENSE AGREEMENT TMS1002
Fig 2: Mirror Heater And Rear Window Defogger - Circuit Diagram (2 Of 2)
G07580183Courtesy of © TOYOTA, LICENSE AGREEMENT TMS1002