lemon-mirror:
Home >> Lexus >> 2011 >> IS F >> Repair and Diagnosis >> Electrical >> Body Electrical >> OEM System Circuits >> Sliding Roof >> Notes

Sliding Roof: Notes

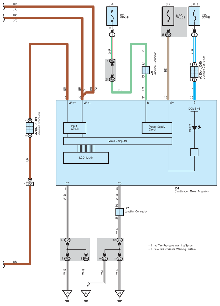
Fig 1: Sliding Roof - Circuit Diagram (1 Of 6)
G07580145Courtesy of © TOYOTA, LICENSE AGREEMENT TMS1002
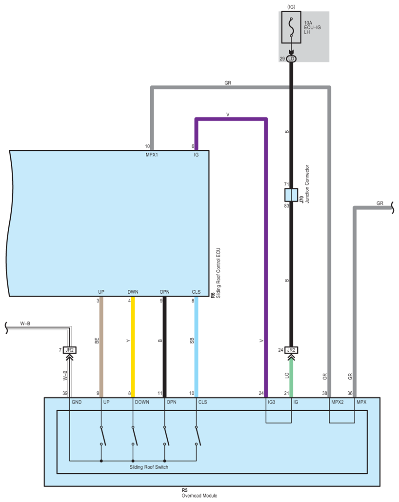
Fig 2: Sliding Roof - Circuit Diagram (2 Of 6)
G07580146Courtesy of © TOYOTA, LICENSE AGREEMENT TMS1002
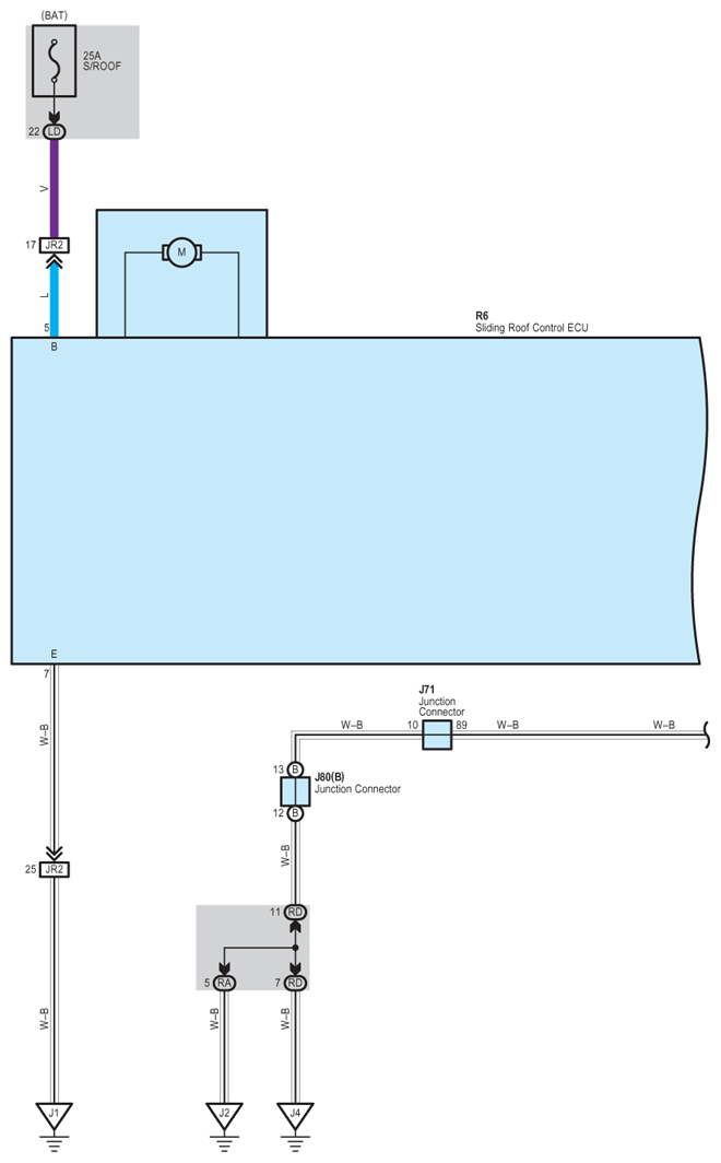
Fig 3: Sliding Roof - Circuit Diagram (3 Of 6)
G07580147Courtesy of © TOYOTA, LICENSE AGREEMENT TMS1002
Fig 4: Sliding Roof - Circuit Diagram (4 Of 6)
G07580148Courtesy of © TOYOTA, LICENSE AGREEMENT TMS1002
Fig 5: Sliding Roof - Circuit Diagram (5 Of 6)
G07580149Courtesy of © TOYOTA, LICENSE AGREEMENT TMS1002
Fig 6: Sliding Roof - Circuit Diagram (6 Of 6)
G07580150Courtesy of © TOYOTA, LICENSE AGREEMENT TMS1002