lemon-mirror:
Home >> Lexus >> 2011 >> IS F >> Repair and Diagnosis >> Electrical >> Body Electrical >> OEM System Circuits >> Smart Access System with Push-Button Start and Theft Deterrent >> Notes

Smart Access System with Push-Button Start and Theft Deterrent: Notes

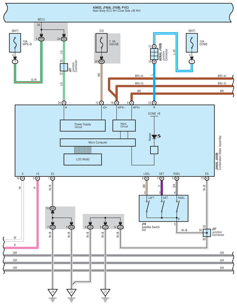
Fig 1: Smart Access System With Push-Button Start And Theft Deterrent - Circuit Diagram (1 Of 20)
G07579935Courtesy of © TOYOTA, LICENSE AGREEMENT TMS1002
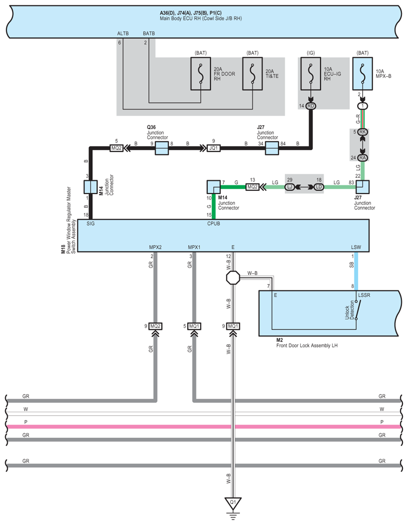
Fig 2: Smart Access System With Push-Button Start And Theft Deterrent - Circuit Diagram (2 Of 20)
G07579936Courtesy of © TOYOTA, LICENSE AGREEMENT TMS1002
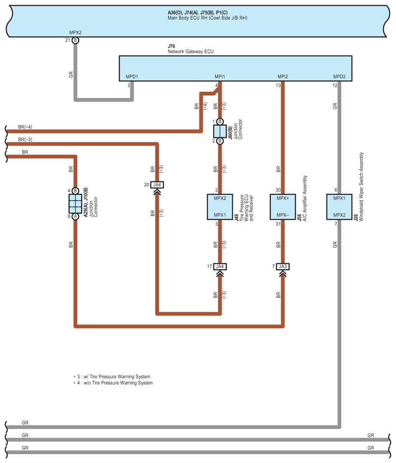
Fig 3: Smart Access System With Push-Button Start And Theft Deterrent - Circuit Diagram (3 Of 20)
G07579937Courtesy of © TOYOTA, LICENSE AGREEMENT TMS1002
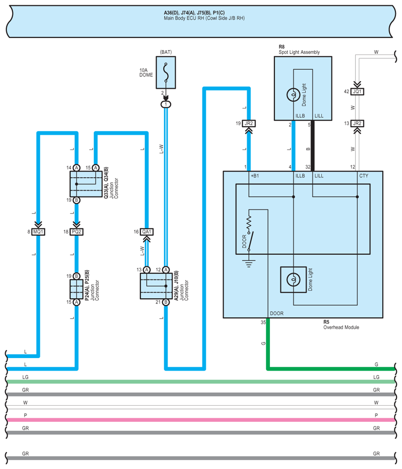
Fig 4: Smart Access System With Push-Button Start And Theft Deterrent - Circuit Diagram (4 Of 20)
G07579938Courtesy of © TOYOTA, LICENSE AGREEMENT TMS1002
Fig 5: Smart Access System With Push-Button Start And Theft Deterrent - Circuit Diagram (5 Of 20)
G07579939Courtesy of © TOYOTA, LICENSE AGREEMENT TMS1002
Fig 6: Smart Access System With Push-Button Start And Theft Deterrent - Circuit Diagram (6 Of 20)
G07579940Courtesy of © TOYOTA, LICENSE AGREEMENT TMS1002
Fig 7: Smart Access System With Push-Button Start And Theft Deterrent - Circuit Diagram (7 Of 20)
G07579941Courtesy of © TOYOTA, LICENSE AGREEMENT TMS1002
Fig 8: Smart Access System With Push-Button Start And Theft Deterrent - Circuit Diagram (8 Of 20)
G07579942Courtesy of © TOYOTA, LICENSE AGREEMENT TMS1002
Fig 9: Smart Access System With Push-Button Start And Theft Deterrent - Circuit Diagram (9 Of 20)
G07579943Courtesy of © TOYOTA, LICENSE AGREEMENT TMS1002
Fig 10: Smart Access System With Push-Button Start And Theft Deterrent - Circuit Diagram (10 Of 20)
G07579944Courtesy of © TOYOTA, LICENSE AGREEMENT TMS1002
Fig 11: Smart Access System With Push-Button Start And Theft Deterrent - Circuit Diagram (11 Of 20)
G07579945Courtesy of © TOYOTA, LICENSE AGREEMENT TMS1002
Fig 12: Smart Access System With Push-Button Start And Theft Deterrent - Circuit Diagram (12 Of 20)
G07579946Courtesy of © TOYOTA, LICENSE AGREEMENT TMS1002
Fig 13: Smart Access System With Push-Button Start And Theft Deterrent - Circuit Diagram (13 Of 20)
G07579947Courtesy of © TOYOTA, LICENSE AGREEMENT TMS1002
Fig 14: Smart Access System With Push-Button Start And Theft Deterrent - Circuit Diagram (14 Of 20)
G07579948Courtesy of © TOYOTA, LICENSE AGREEMENT TMS1002
Fig 15: Smart Access System With Push-Button Start And Theft Deterrent - Circuit Diagram (15 Of 20)
G07579949Courtesy of © TOYOTA, LICENSE AGREEMENT TMS1002
Fig 16: Smart Access System With Push-Button Start And Theft Deterrent - Circuit Diagram (16 Of 20)
G07579950Courtesy of © TOYOTA, LICENSE AGREEMENT TMS1002
Fig 17: Smart Access System With Push-Button Start And Theft Deterrent - Circuit Diagram (17 Of 20)
G07579951Courtesy of © TOYOTA, LICENSE AGREEMENT TMS1002
Fig 18: Smart Access System With Push-Button Start And Theft Deterrent - Circuit Diagram (18 Of 20)
G07579952Courtesy of © TOYOTA, LICENSE AGREEMENT TMS1002
Fig 19: Smart Access System With Push-Button Start And Theft Deterrent - Circuit Diagram (19 Of 20)
G07579953Courtesy of © TOYOTA, LICENSE AGREEMENT TMS1002
Fig 20: Smart Access System With Push-Button Start And Theft Deterrent - Circuit Diagram (20 Of 20)
G07579954Courtesy of © TOYOTA, LICENSE AGREEMENT TMS1002