lemon-mirror:
Home >> Lexus >> 2011 >> LS 460 AWD >> Repair and Diagnosis >> Electrical >> Body Electrical >> OEM System Circuits >> Air Suspension >> Notes

Air Suspension: Notes

Fig 1: Air Suspension - Circuit Diagram (1 Of 9)
G07564980Courtesy of © TOYOTA, LICENSE AGREEMENT TMS1002
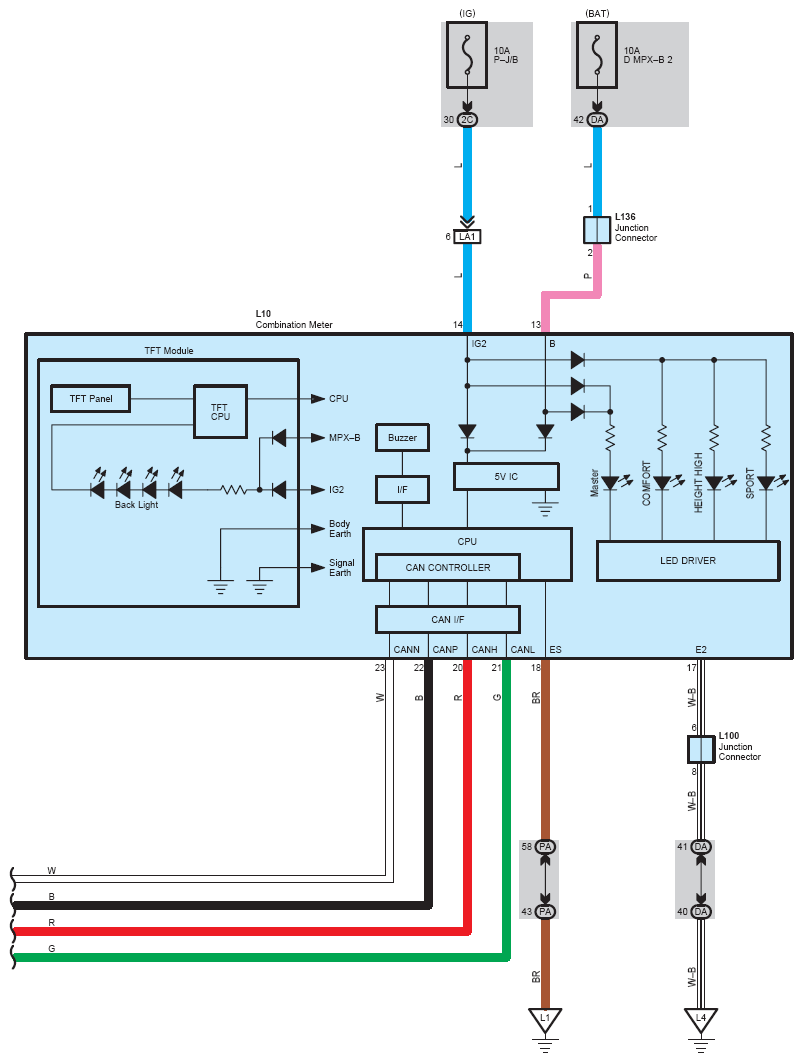
Fig 2: Air Suspension - Circuit Diagram (2 Of 9)
G07564981Courtesy of © TOYOTA, LICENSE AGREEMENT TMS1002
Fig 3: Air Suspension - Circuit Diagram (3 Of 9)
G07564982Courtesy of © TOYOTA, LICENSE AGREEMENT TMS1002
Fig 4: Air Suspension - Circuit Diagram (4 Of 9)
G07564983Courtesy of © TOYOTA, LICENSE AGREEMENT TMS1002
Fig 5: Air Suspension - Circuit Diagram (5 Of 9)
G07564984Courtesy of © TOYOTA, LICENSE AGREEMENT TMS1002
Fig 6: Air Suspension - Circuit Diagram (6 Of 9)
G07564985Courtesy of © TOYOTA, LICENSE AGREEMENT TMS1002
Fig 7: Air Suspension - Circuit Diagram (7 Of 9)
G07564986Courtesy of © TOYOTA, LICENSE AGREEMENT TMS1002
Fig 8: Air Suspension - Circuit Diagram (8 Of 9)
G07564987Courtesy of © TOYOTA, LICENSE AGREEMENT TMS1002
Fig 9: Air Suspension - Circuit Diagram (9 Of 9)
G07564988Courtesy of © TOYOTA, LICENSE AGREEMENT TMS1002