lemon-mirror:
Home >> Lexus >> 2011 >> LS 460 AWD >> Repair and Diagnosis >> Electrical >> Body Electrical >> OEM System Circuits >> Brake Hold System >> Notes

Brake Hold System: Notes

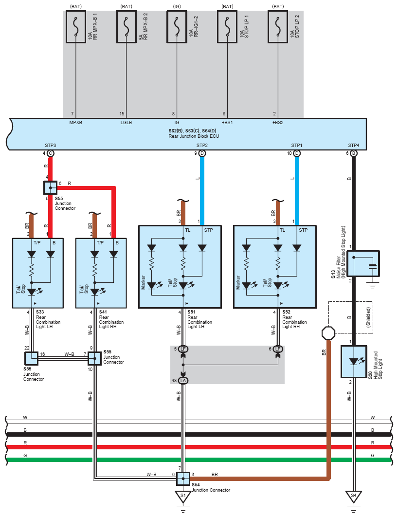
Fig 1: Brake Hold System - Circuit Diagram (1 Of 10)
G07565004Courtesy of © TOYOTA, LICENSE AGREEMENT TMS1002
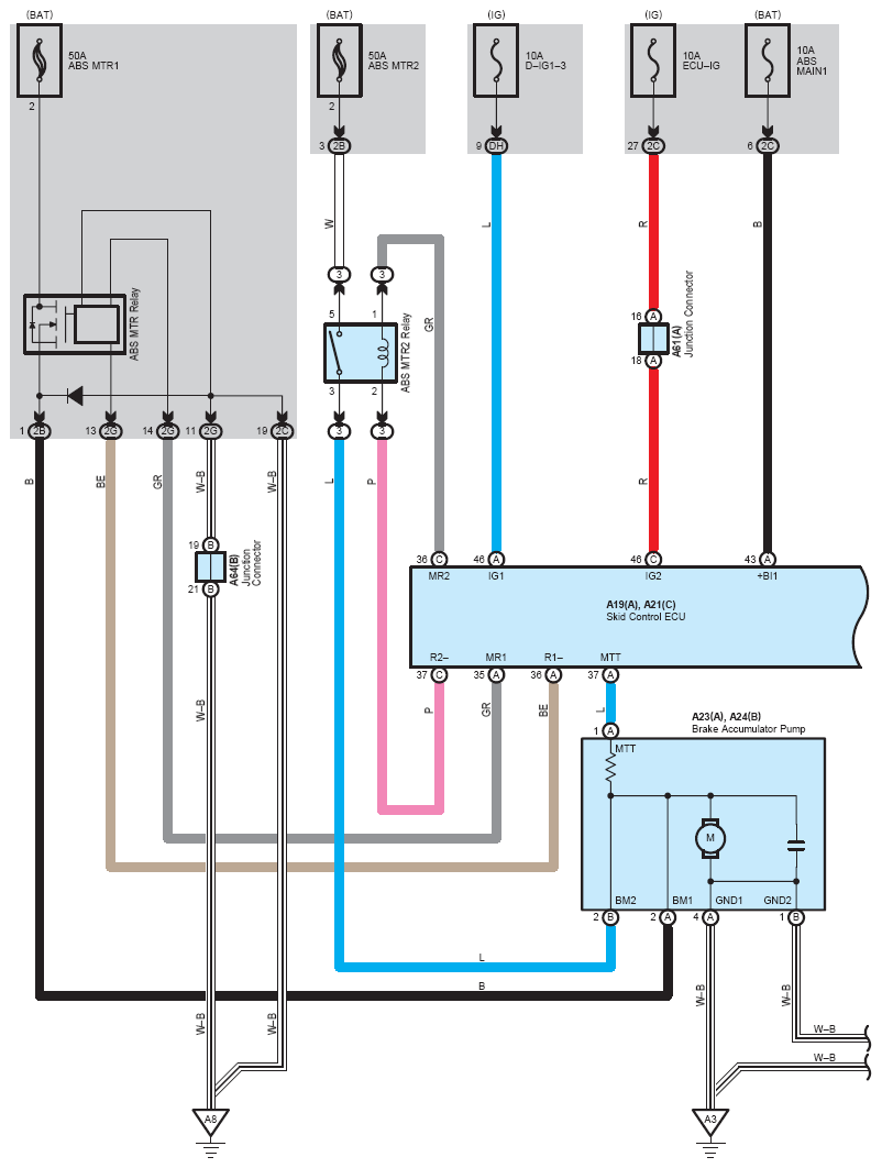
Fig 2: Brake Hold System - Circuit Diagram (2 Of 10)
G07565005Courtesy of © TOYOTA, LICENSE AGREEMENT TMS1002
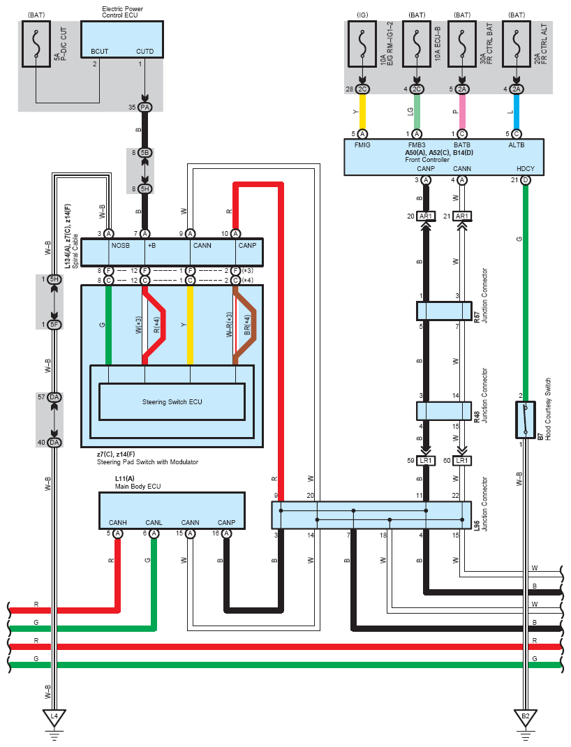
Fig 3: Brake Hold System - Circuit Diagram (3 Of 10)
G07565006Courtesy of © TOYOTA, LICENSE AGREEMENT TMS1002
Fig 4: Brake Hold System - Circuit Diagram (4 Of 10)
G07565007Courtesy of © TOYOTA, LICENSE AGREEMENT TMS1002
Fig 5: Brake Hold System - Circuit Diagram (5 Of 10)
G07565008Courtesy of © TOYOTA, LICENSE AGREEMENT TMS1002
Fig 6: Brake Hold System - Circuit Diagram (6 Of 10)
G07565009Courtesy of © TOYOTA, LICENSE AGREEMENT TMS1002
Fig 7: Brake Hold System - Circuit Diagram (7 Of 10)
G07565010Courtesy of © TOYOTA, LICENSE AGREEMENT TMS1002
Fig 8: Brake Hold System - Circuit Diagram (8 Of 10)
G07565011Courtesy of © TOYOTA, LICENSE AGREEMENT TMS1002
Fig 9: Brake Hold System - Circuit Diagram (9 Of 10)
G07565012Courtesy of © TOYOTA, LICENSE AGREEMENT TMS1002
Fig 10: Brake Hold System - Circuit Diagram (10 Of 10)
G07565013Courtesy of © TOYOTA, LICENSE AGREEMENT TMS1002