lemon-mirror:
Home >> Lexus >> 2011 >> LS 460 AWD >> Repair and Diagnosis >> Electrical >> Body Electrical >> OEM System Circuits >> Electric Parking Brake >> Notes

Electric Parking Brake: Notes

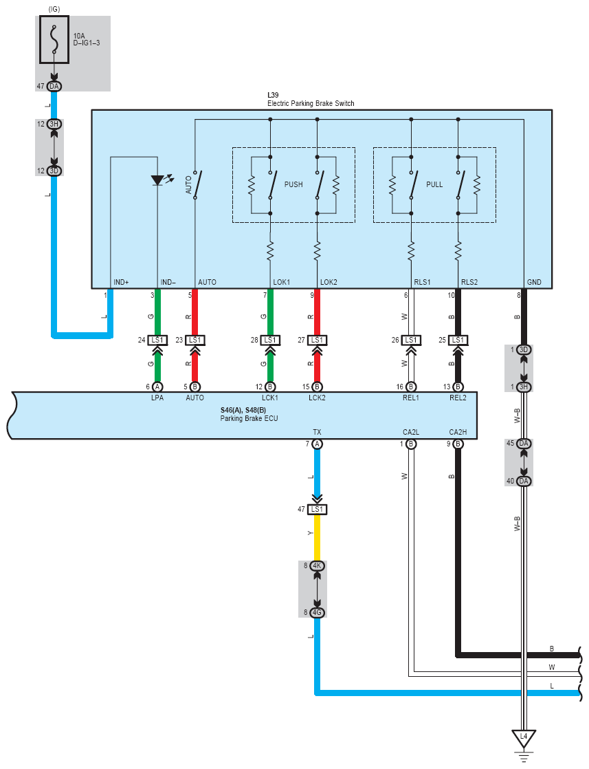
Fig 1: Electric Parking Brake - Circuit Diagram (1 Of 5)
G07565014Courtesy of © TOYOTA, LICENSE AGREEMENT TMS1002
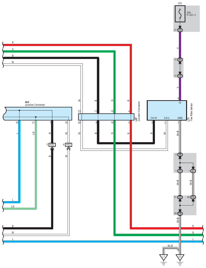
Fig 2: Electric Parking Brake - Circuit Diagram (2 Of 5)
G07565015Courtesy of © TOYOTA, LICENSE AGREEMENT TMS1002
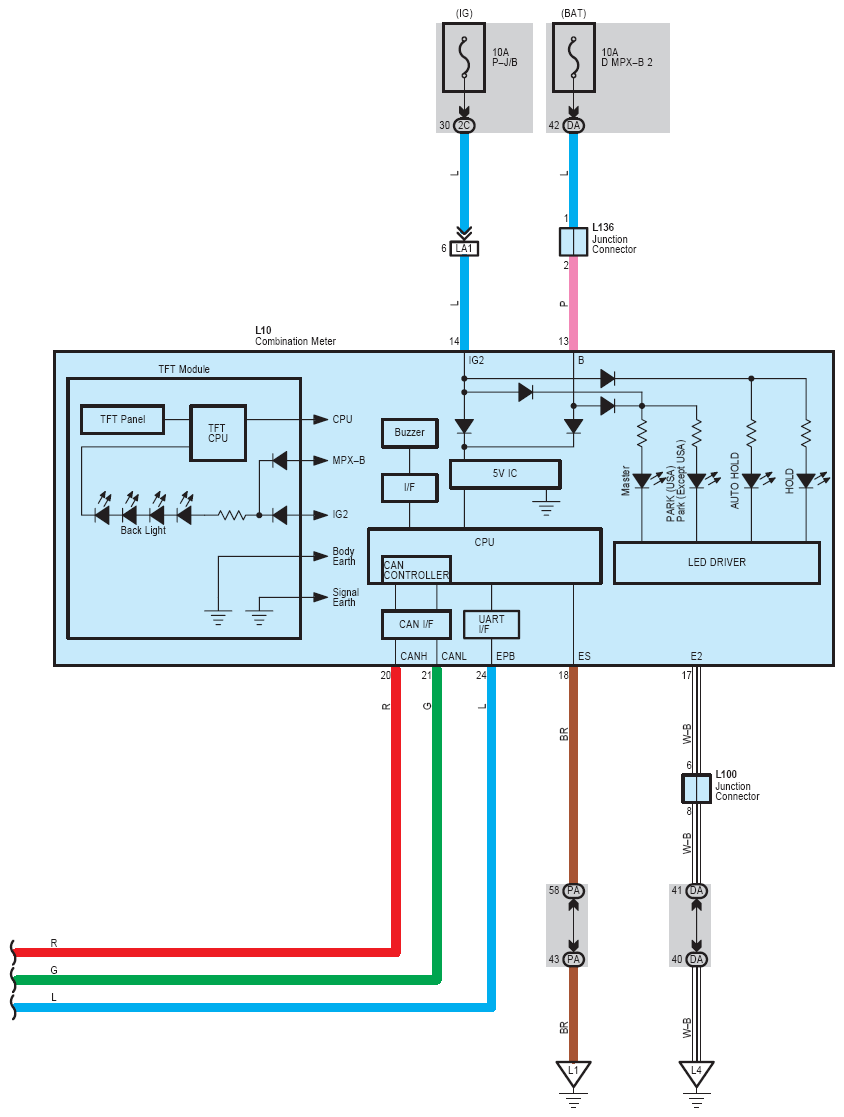
Fig 3: Electric Parking Brake - Circuit Diagram (3 Of 5)
G07565016Courtesy of © TOYOTA, LICENSE AGREEMENT TMS1002
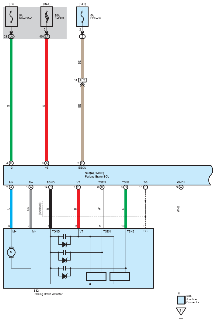
Fig 4: Electric Parking Brake - Circuit Diagram (4 Of 5)
G07565017Courtesy of © TOYOTA, LICENSE AGREEMENT TMS1002
Fig 5: Electric Parking Brake - Circuit Diagram (5 Of 5)
G07565018Courtesy of © TOYOTA, LICENSE AGREEMENT TMS1002