lemon-mirror:
Home >> Lexus >> 2011 >> LS 460 AWD >> Repair and Diagnosis >> Electrical >> Body Electrical >> OEM System Circuits >> Power Outlet (115V) >> Notes

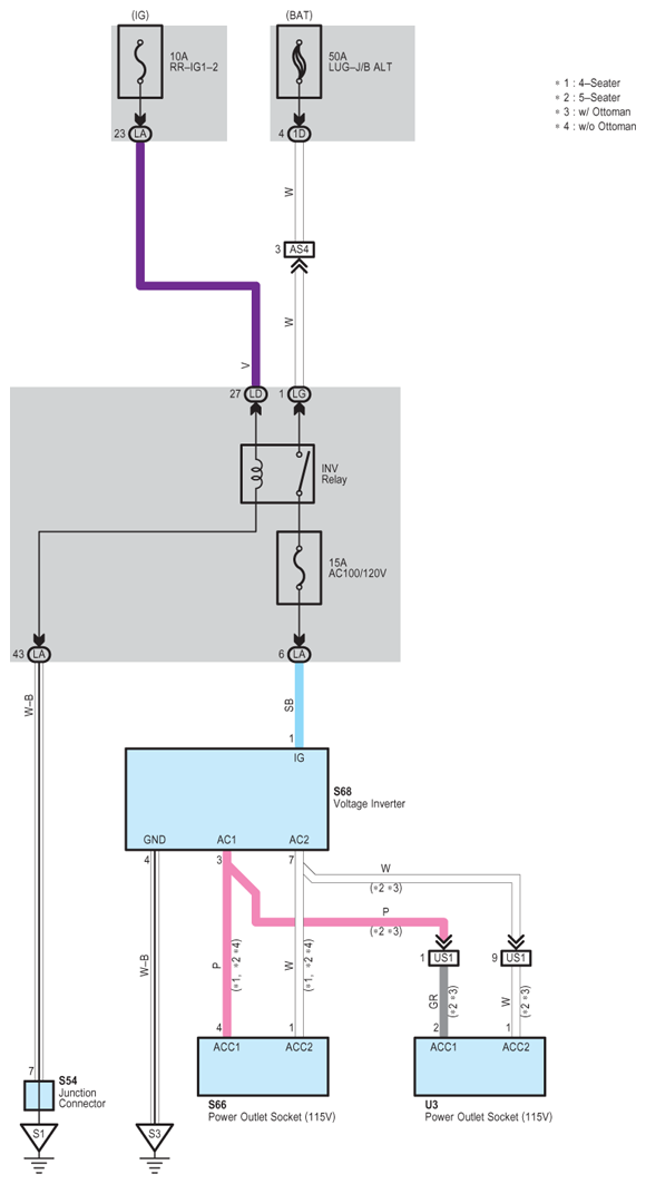
Power Outlet (115V): Notes

Fig 1: Power Outlet (115V) - Circuit Diagram
G07565135Courtesy of © TOYOTA, LICENSE AGREEMENT TMS1002