lemon-mirror:
Home >> Lexus >> 2011 >> LS 460 RWD >> Repair and Diagnosis >> Electrical >> Body Electrical >> OEM System Circuits >> Back-Up Light >> Notes

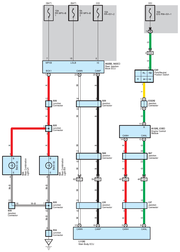
Back-Up Light: Notes

Fig 1: Back-Up Light - Circuit Diagram
G07564882Courtesy of © TOYOTA, LICENSE AGREEMENT TMS1002