lemon-mirror:
Home >> Lexus >> 2011 >> LS 460 RWD >> Repair and Diagnosis >> Electrical >> Body Electrical >> OEM System Circuits >> Front Window Deicer >> Notes

Front Window Deicer: Notes

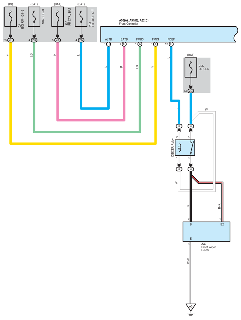
Fig 1: Front Window Deicer - Circuit Diagram (1 Of 2)
G07565162Courtesy of © TOYOTA, LICENSE AGREEMENT TMS1002
Fig 2: Front Window Deicer - Circuit Diagram (2 Of 2)
G07565163Courtesy of © TOYOTA, LICENSE AGREEMENT TMS1002