lemon-mirror:
Home >> Lexus >> 2011 >> LS 460 RWD >> Repair and Diagnosis >> Electrical >> Body Electrical >> OEM System Circuits >> Headlight >> Notes

OEM System Circuits: Headlight: Notes

Fig 1: Headlight - Circuit Diagram (1 Of 9)
G07564835Courtesy of © TOYOTA, LICENSE AGREEMENT TMS1002
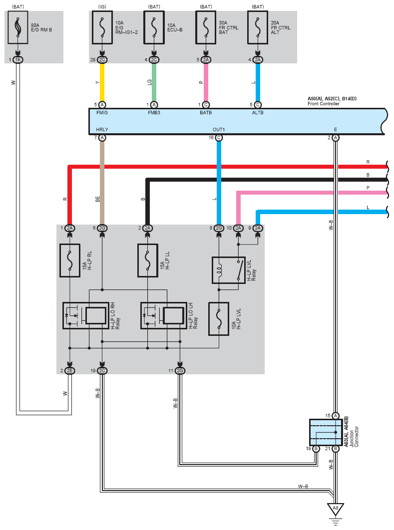
Fig 2: Headlight - Circuit Diagram (2 Of 9)
G07564836Courtesy of © TOYOTA, LICENSE AGREEMENT TMS1002
Fig 3: Headlight - Circuit Diagram (3 Of 9)
G07564837Courtesy of © TOYOTA, LICENSE AGREEMENT TMS1002
Fig 4: Headlight - Circuit Diagram (4 Of 9)
G07564838Courtesy of © TOYOTA, LICENSE AGREEMENT TMS1002
Fig 5: Headlight - Circuit Diagram (5 Of 9)
G07564839Courtesy of © TOYOTA, LICENSE AGREEMENT TMS1002
Fig 6: Headlight - Circuit Diagram (6 Of 9)
G07564840Courtesy of © TOYOTA, LICENSE AGREEMENT TMS1002
Fig 7: Headlight - Circuit Diagram (7 Of 9)
G07564841Courtesy of © TOYOTA, LICENSE AGREEMENT TMS1002
Fig 8: Headlight - Circuit Diagram (8 Of 9)
G07564842Courtesy of © TOYOTA, LICENSE AGREEMENT TMS1002
Fig 9: Headlight - Circuit Diagram (9 Of 9)
G07564843Courtesy of © TOYOTA, LICENSE AGREEMENT TMS1002