lemon-mirror:
Home >> Lexus >> 2011 >> LS 460 RWD >> Repair and Diagnosis >> Electrical >> Body Electrical >> OEM System Circuits >> Heated Steering Wheel System >> Notes

Heated Steering Wheel System: Notes

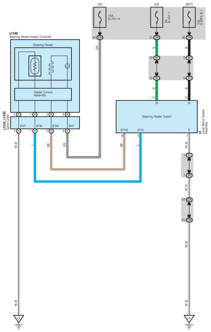
Fig 1: Heated Steering Wheel System - Circuit Diagram
G07565137Courtesy of © TOYOTA, LICENSE AGREEMENT TMS1002