lemon-mirror:
Home >> Lexus >> 2011 >> LS 460 RWD >> Repair and Diagnosis >> Electrical >> Body Electrical >> OEM System Circuits >> Pre-Collision System >> Notes

Pre-Collision System: Notes

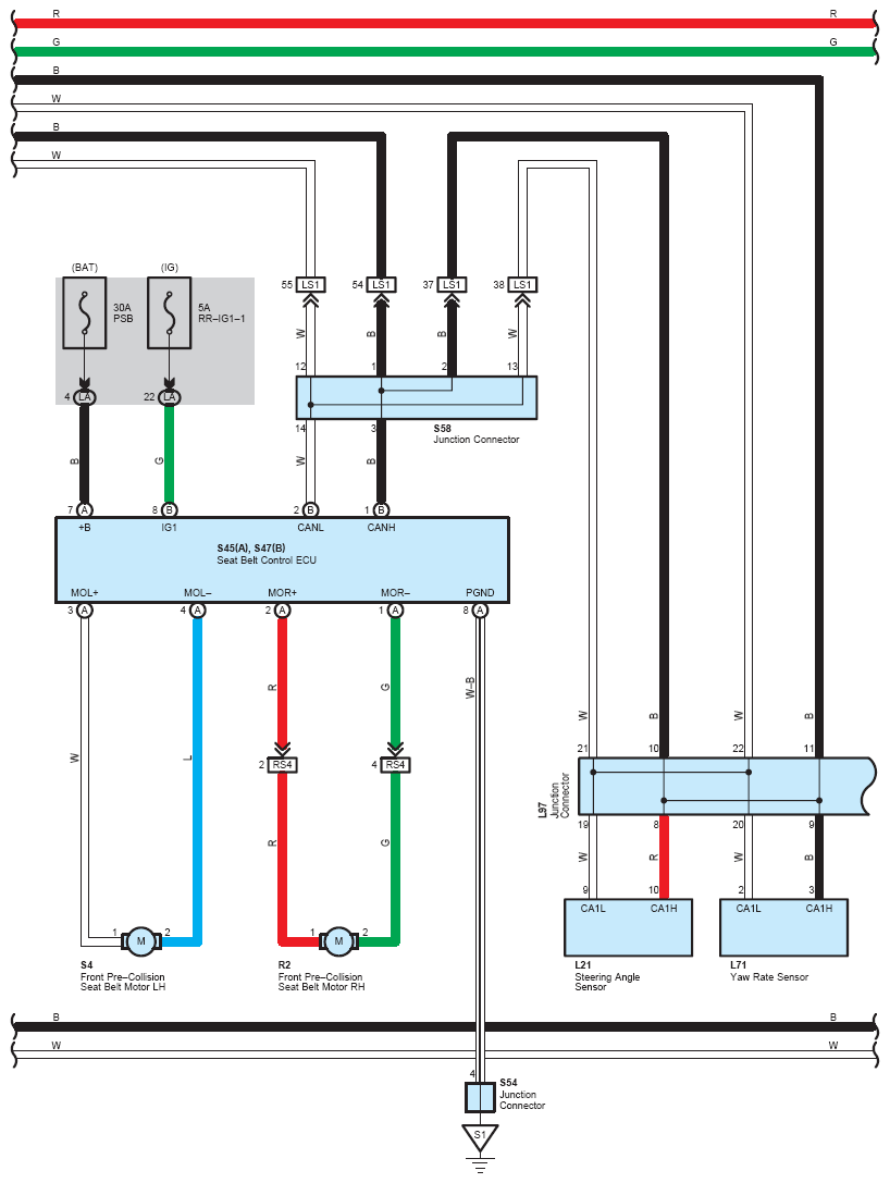
Fig 1: Pre-Collision System - Circuit Diagram (1 Of 16)
G07565047Courtesy of © TOYOTA, LICENSE AGREEMENT TMS1002
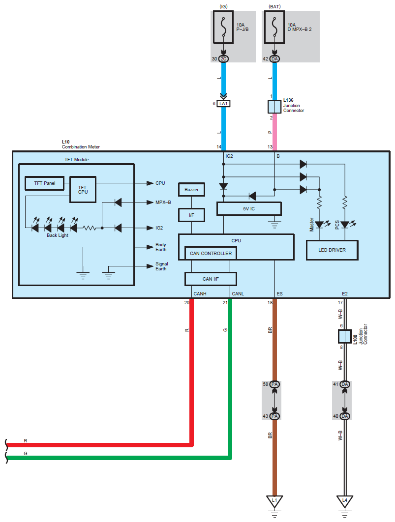
Fig 2: Pre-Collision System - Circuit Diagram (2 Of 16)
G07565048Courtesy of © TOYOTA, LICENSE AGREEMENT TMS1002
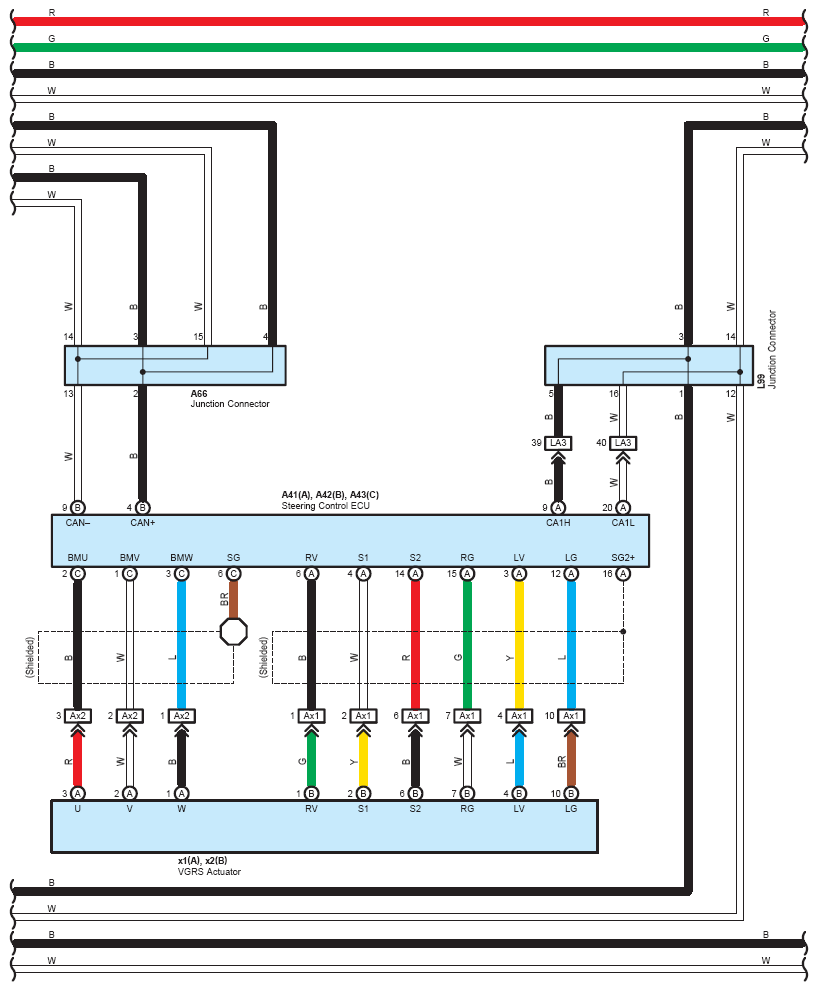
Fig 3: Pre-Collision System - Circuit Diagram (3 Of 16)
G07565049Courtesy of © TOYOTA, LICENSE AGREEMENT TMS1002
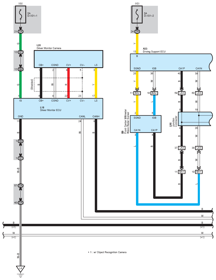
Fig 4: Pre-Collision System - Circuit Diagram (4 Of 16)
G07565050Courtesy of © TOYOTA, LICENSE AGREEMENT TMS1002
Fig 5: Pre-Collision System - Circuit Diagram (5 Of 16)
G07565051Courtesy of © TOYOTA, LICENSE AGREEMENT TMS1002
Fig 6: Pre-Collision System - Circuit Diagram (6 Of 16)
G07565052Courtesy of © TOYOTA, LICENSE AGREEMENT TMS1002
Fig 7: Pre-Collision System - Circuit Diagram (7 Of 16)
G07565053Courtesy of © TOYOTA, LICENSE AGREEMENT TMS1002
Fig 8: Pre-Collision System - Circuit Diagram (8 Of 16)
G07565054Courtesy of © TOYOTA, LICENSE AGREEMENT TMS1002
Fig 9: Pre-Collision System - Circuit Diagram (9 Of 16)
G07565055Courtesy of © TOYOTA, LICENSE AGREEMENT TMS1002
Fig 10: Pre-Collision System - Circuit Diagram (10 Of 16)
G07565056Courtesy of © TOYOTA, LICENSE AGREEMENT TMS1002
Fig 11: Pre-Collision System - Circuit Diagram (11 Of 16)
G07565057Courtesy of © TOYOTA, LICENSE AGREEMENT TMS1002
Fig 12: Pre-Collision System - Circuit Diagram (12 Of 16)
G07565058Courtesy of © TOYOTA, LICENSE AGREEMENT TMS1002
Fig 13: Pre-Collision System - Circuit Diagram (13 Of 16)
G07565059Courtesy of © TOYOTA, LICENSE AGREEMENT TMS1002
Fig 14: Pre-Collision System - Circuit Diagram (14 Of 16)
G07565060Courtesy of © TOYOTA, LICENSE AGREEMENT TMS1002
Fig 15: Pre-Collision System - Circuit Diagram (15 Of 16)
G07565061Courtesy of © TOYOTA, LICENSE AGREEMENT TMS1002
Fig 16: Pre-Collision System - Circuit Diagram (16 Of 16)
G07565062Courtesy of © TOYOTA, LICENSE AGREEMENT TMS1002