lemon-mirror:
Home >> Lexus >> 2011 >> LS 600hL >> Repair and Diagnosis >> Electrical >> Body Electrical >> OEM System Circuits >> Automatic Glare-Resistant EC Mirror >> Notes

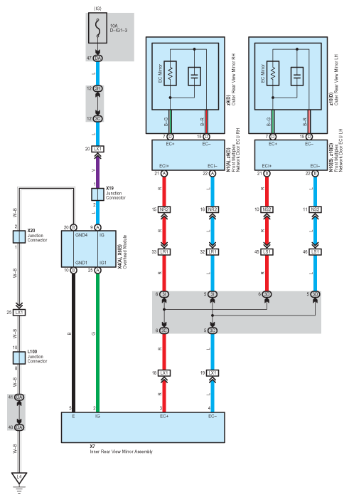
Automatic Glare-Resistant EC Mirror: Notes

Fig 1: Automatic Glare-Resistant EC Mirror - Circuit Diagram
G07566240Courtesy of © TOYOTA, LICENSE AGREEMENT TMS1002