lemon-mirror:
Home >> Lexus >> 2011 >> LS 600hL >> Repair and Diagnosis >> Electrical >> Body Electrical >> OEM System Circuits >> Combination Meter >> Notes

Combination Meter: Notes

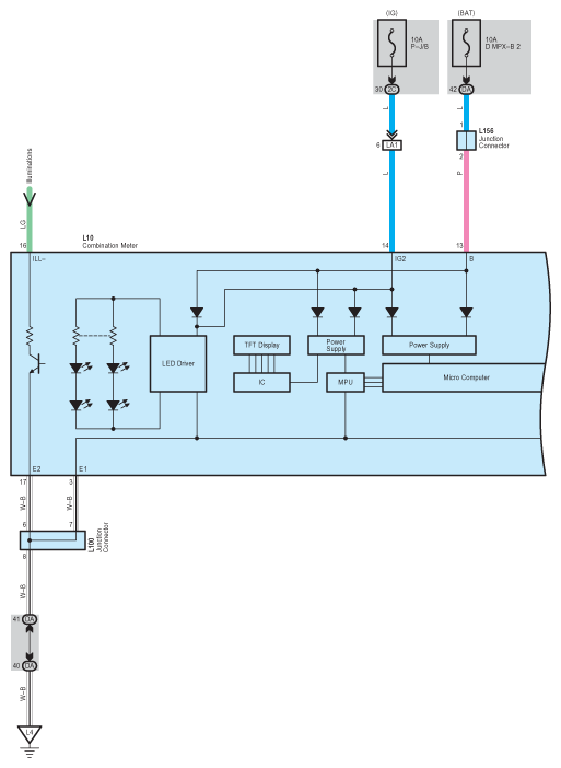
Fig 1: Combination Meter - Circuit Diagram (1 Of 12)
G07566334Courtesy of © TOYOTA, LICENSE AGREEMENT TMS1002
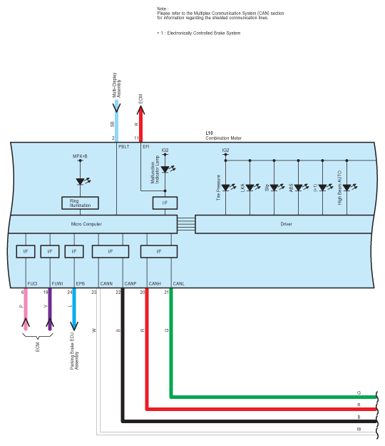
Fig 2: Combination Meter - Circuit Diagram (2 Of 12)
G07566335Courtesy of © TOYOTA, LICENSE AGREEMENT TMS1002
Fig 3: Combination Meter - Circuit Diagram (3 Of 12)
G07566336Courtesy of © TOYOTA, LICENSE AGREEMENT TMS1002
Fig 4: Combination Meter - Circuit Diagram (4 Of 12)
G07566337Courtesy of © TOYOTA, LICENSE AGREEMENT TMS1002
Fig 5: Combination Meter - Circuit Diagram (5 Of 12)
G07566338Courtesy of © TOYOTA, LICENSE AGREEMENT TMS1002
Fig 6: Combination Meter - Circuit Diagram (6 Of 12)
G07566339Courtesy of © TOYOTA, LICENSE AGREEMENT TMS1002
Fig 7: Combination Meter - Circuit Diagram (7 Of 12)
G07566340Courtesy of © TOYOTA, LICENSE AGREEMENT TMS1002
Fig 8: Combination Meter - Circuit Diagram (8 Of 12)
G07566341Courtesy of © TOYOTA, LICENSE AGREEMENT TMS1002
Fig 9: Combination Meter - Circuit Diagram (9 Of 12)
G07566342Courtesy of © TOYOTA, LICENSE AGREEMENT TMS1002
Fig 10: Combination Meter - Circuit Diagram (10 Of 12)
G07566343Courtesy of © TOYOTA, LICENSE AGREEMENT TMS1002
Fig 11: Combination Meter - Circuit Diagram (11 Of 12)
G07566344Courtesy of © TOYOTA, LICENSE AGREEMENT TMS1002
Fig 12: Combination Meter - Circuit Diagram (12 Of 12)
G07566345Courtesy of © TOYOTA, LICENSE AGREEMENT TMS1002