lemon-mirror:
Home >> Lexus >> 2011 >> LS 600hL >> Repair and Diagnosis >> Electrical >> Body Electrical >> OEM System Circuits >> Electric Parking Brake >> Notes

Electric Parking Brake: Notes

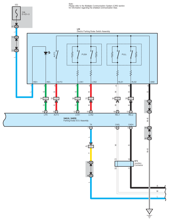
Fig 1: Electric Parking Brake - Circuit Diagram (1 Of 6)
G07566119Courtesy of © TOYOTA, LICENSE AGREEMENT TMS1002
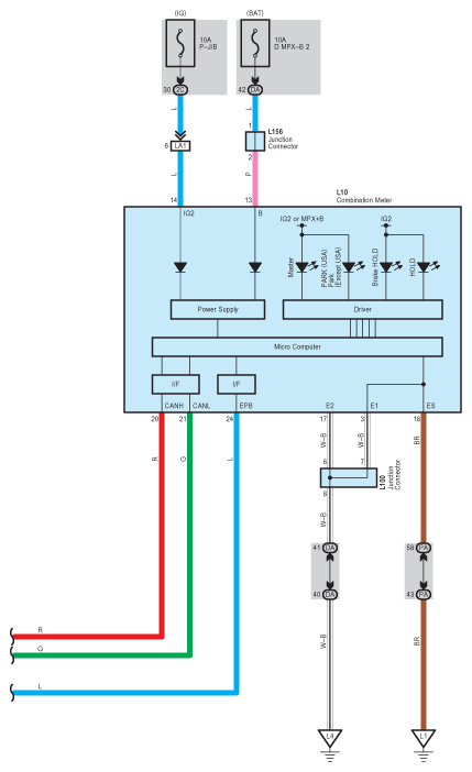
Fig 2: Electric Parking Brake - Circuit Diagram (2 Of 6)
G07566120Courtesy of © TOYOTA, LICENSE AGREEMENT TMS1002
Fig 3: Electric Parking Brake - Circuit Diagram (3 Of 6)
G07566121Courtesy of © TOYOTA, LICENSE AGREEMENT TMS1002
Fig 4: Electric Parking Brake - Circuit Diagram (4 Of 6)
G07566122Courtesy of © TOYOTA, LICENSE AGREEMENT TMS1002
Fig 5: Electric Parking Brake - Circuit Diagram (5 Of 6)
G07566123Courtesy of © TOYOTA, LICENSE AGREEMENT TMS1002
Fig 6: Electric Parking Brake - Circuit Diagram (6 Of 6)
G07566124Courtesy of © TOYOTA, LICENSE AGREEMENT TMS1002