lemon-mirror:
Home >> Lexus >> 2011 >> LS 600hL >> Repair and Diagnosis >> Electrical >> Body Electrical >> OEM System Circuits >> Fuel Lid Opener >> Notes

Fuel Lid Opener: Notes

Fig 1: Fuel Lid Opener - Circuit Diagram (1 Of 2)
G07566194Courtesy of © TOYOTA, LICENSE AGREEMENT TMS1002
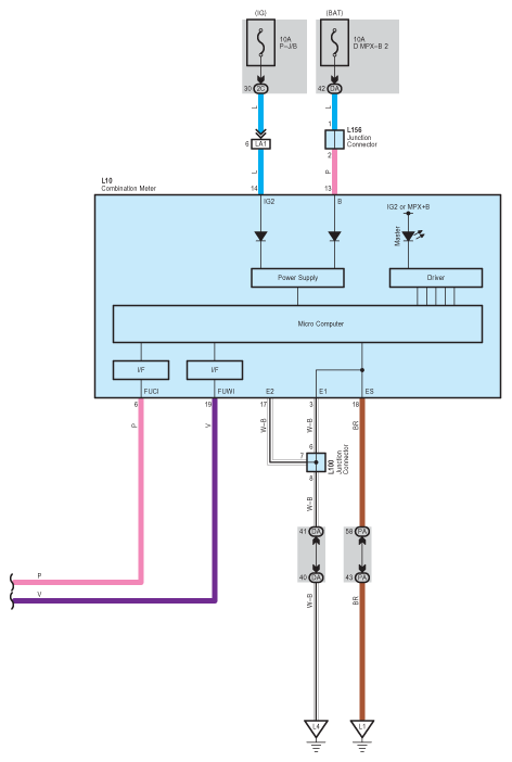
Fig 2: Fuel Lid Opener - Circuit Diagram (2 Of 2)
G07566195Courtesy of © TOYOTA, LICENSE AGREEMENT TMS1002