lemon-mirror:
Home >> Lexus >> 2011 >> LS 600hL >> Repair and Diagnosis >> Electrical >> Body Electrical >> OEM System Circuits >> Garage Door Opener >> Notes

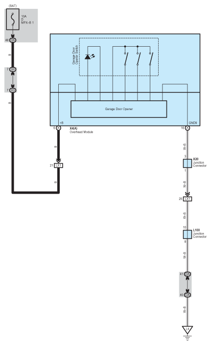
Garage Door Opener: Notes

Fig 1: Garage Door Opener - Circuit Diagram
G07566241Courtesy of © TOYOTA, LICENSE AGREEMENT TMS1002