lemon-mirror:
Home >> Lexus >> 2011 >> LS 600hL >> Repair and Diagnosis >> Electrical >> Body Electrical >> OEM System Circuits >> LEXUS ENFORM or Safety Connect >> Notes

LEXUS ENFORM or Safety Connect: Notes

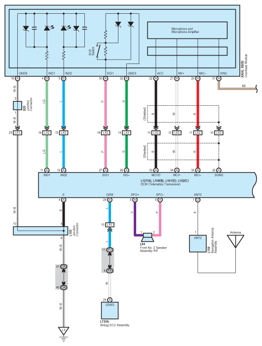
Fig 1: Lexus Enform Or Safety Connect - Circuit Diagram (1 Of 4)
G07566279Courtesy of © TOYOTA, LICENSE AGREEMENT TMS1002
Fig 2: Lexus Enform Or Safety Connect - Circuit Diagram (2 Of 4)
G07566280Courtesy of © TOYOTA, LICENSE AGREEMENT TMS1002
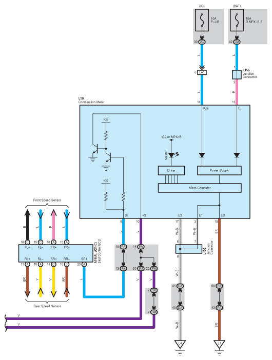
Fig 3: Lexus Enform Or Safety Connect - Circuit Diagram (3 Of 4)
G07566281Courtesy of © TOYOTA, LICENSE AGREEMENT TMS1002
Fig 4: Lexus Enform Or Safety Connect - Circuit Diagram (4 Of 4)
G07566282Courtesy of © TOYOTA, LICENSE AGREEMENT TMS1002