lemon-mirror:
Home >> Lexus >> 2011 >> LS 600hL >> Repair and Diagnosis >> Electrical >> Body Electrical >> OEM System Circuits >> Power Outlet (115V) >> Notes

Power Outlet (115V): Notes

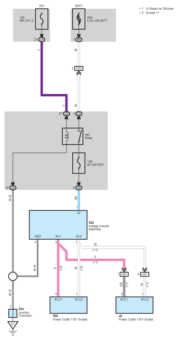
Fig 1: Power Outlet (115V) - Circuit Diagram
G07566243Courtesy of © TOYOTA, LICENSE AGREEMENT TMS1002