lemon-mirror:
Home >> Lexus >> 2011 >> LS 600hL >> Repair and Diagnosis >> Electrical >> Body Electrical >> OEM System Circuits >> Rear Sunshade >> Notes

Rear Sunshade: Notes

Fig 1: Rear Sunshade - Circuit Diagram (1 Of 4)
G07566183Courtesy of © TOYOTA, LICENSE AGREEMENT TMS1002
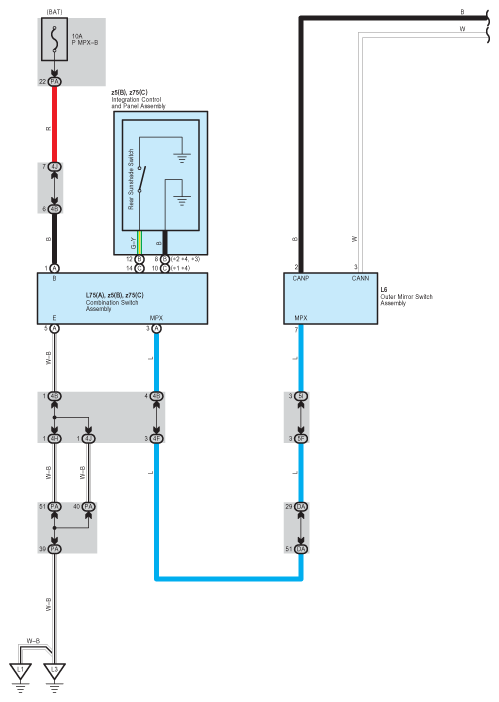
Fig 2: Rear Sunshade - Circuit Diagram (2 Of 4)
G07566184Courtesy of © TOYOTA, LICENSE AGREEMENT TMS1002
Fig 3: Rear Sunshade - Circuit Diagram (3 Of 4)
G07566185Courtesy of © TOYOTA, LICENSE AGREEMENT TMS1002
Fig 4: Rear Sunshade - Circuit Diagram (4 Of 4)
G07566186Courtesy of © TOYOTA, LICENSE AGREEMENT TMS1002