lemon-mirror:
Home >> Lexus >> 2011 >> LS 600hL >> Repair and Diagnosis >> Electrical >> Body Electrical >> OEM System Circuits >> VGRS System >> Notes

VGRS System: Notes

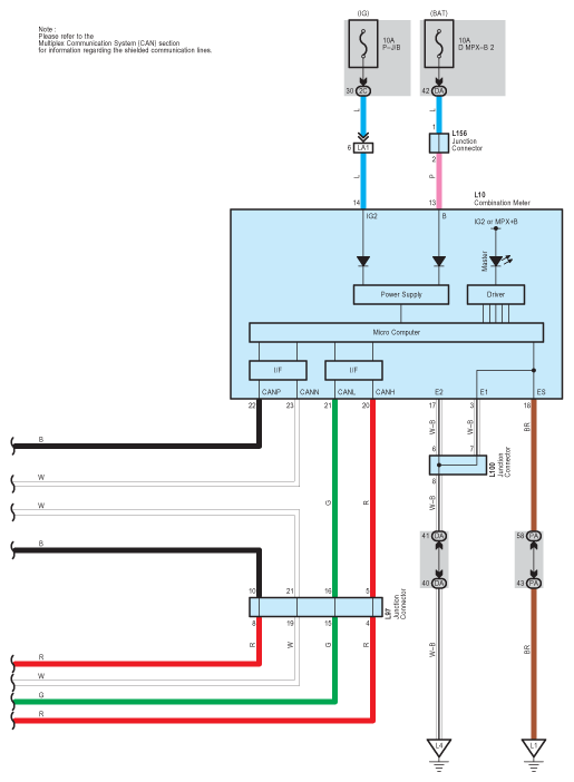
Fig 1: VGRS System - Circuit Diagram (1 Of 5)
G07566125Courtesy of © TOYOTA, LICENSE AGREEMENT TMS1002
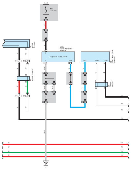
Fig 2: VGRS System - Circuit Diagram (2 Of 5)
G07566126Courtesy of © TOYOTA, LICENSE AGREEMENT TMS1002
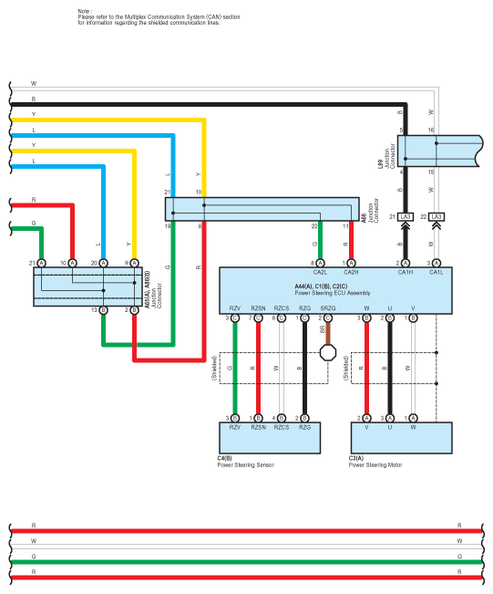
Fig 3: VGRS System - Circuit Diagram (3 Of 5)
G07566127Courtesy of © TOYOTA, LICENSE AGREEMENT TMS1002
Fig 4: VGRS System - Circuit Diagram (4 Of 5)
G07566128Courtesy of © TOYOTA, LICENSE AGREEMENT TMS1002
Fig 5: VGRS System - Circuit Diagram (5 Of 5)
G07566129Courtesy of © TOYOTA, LICENSE AGREEMENT TMS1002