lemon-mirror:
Home >> Lexus >> 2011 >> LX 570 >> Repair and Diagnosis >> Electrical >> Body Electrical >> OEM System Circuits >> Air Conditioning >> Notes

Air Conditioning: Notes

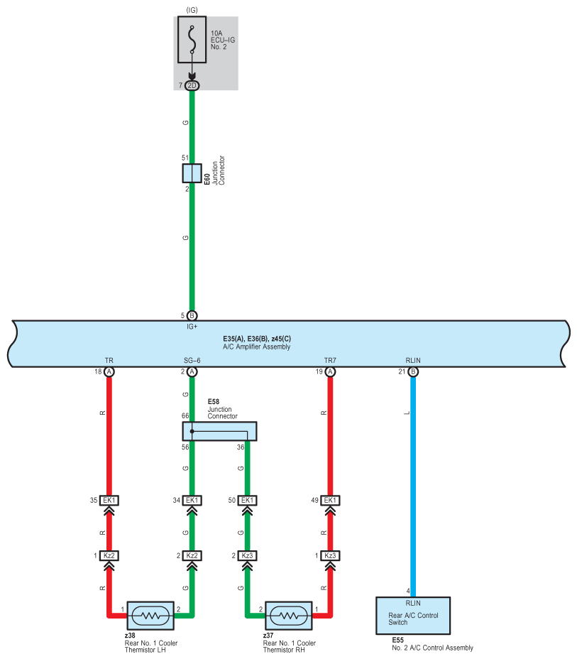
Fig 1: Air Conditioning - Circuit Diagram (1 Of 12)
G07575737Courtesy of © TOYOTA, LICENSE AGREEMENT TMS1002
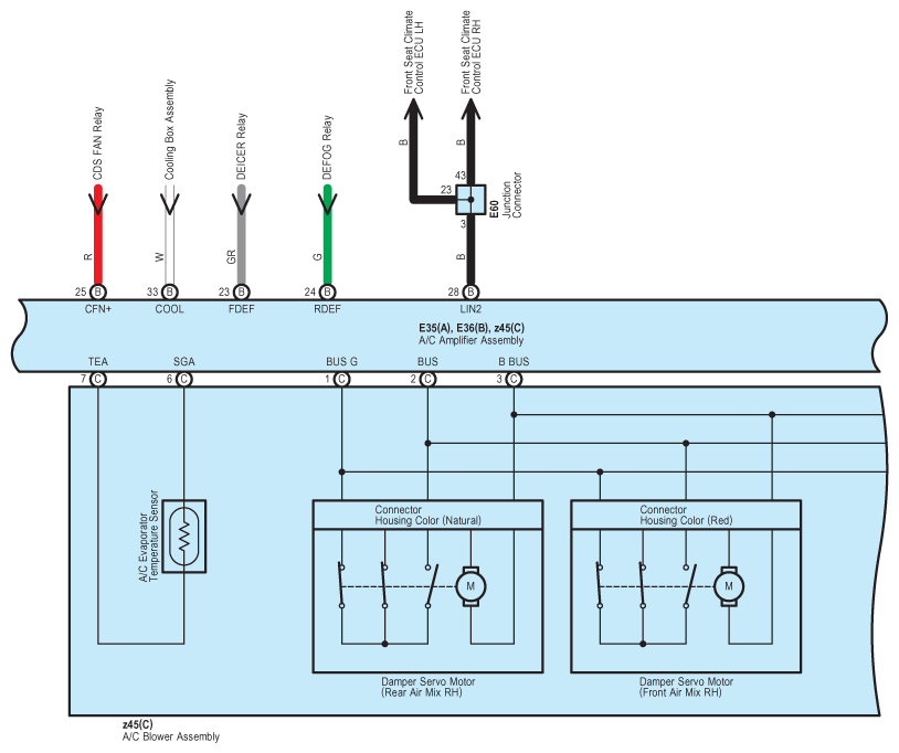
Fig 2: Air Conditioning - Circuit Diagram (2 Of 12)
G07575738Courtesy of © TOYOTA, LICENSE AGREEMENT TMS1002
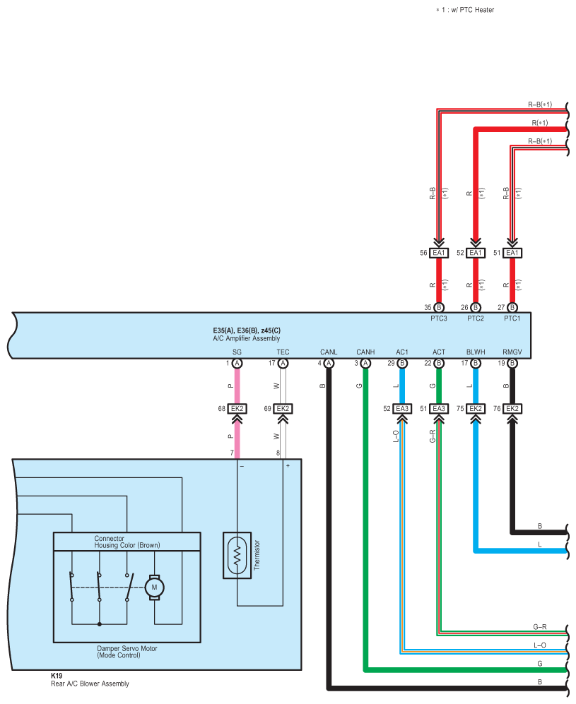
Fig 3: Air Conditioning - Circuit Diagram (3 Of 12)
G07575739Courtesy of © TOYOTA, LICENSE AGREEMENT TMS1002
Fig 4: Air Conditioning - Circuit Diagram (4 Of 12)
G07575740Courtesy of © TOYOTA, LICENSE AGREEMENT TMS1002
Fig 5: Air Conditioning - Circuit Diagram (5 Of 12)
G07575741Courtesy of © TOYOTA, LICENSE AGREEMENT TMS1002
Fig 6: Air Conditioning - Circuit Diagram (6 Of 12)
G07575742Courtesy of © TOYOTA, LICENSE AGREEMENT TMS1002
Fig 7: Air Conditioning - Circuit Diagram (7 Of 12)
G07575743Courtesy of © TOYOTA, LICENSE AGREEMENT TMS1002
Fig 8: Air Conditioning - Circuit Diagram (8 Of 12)
G07575744Courtesy of © TOYOTA, LICENSE AGREEMENT TMS1002
Fig 9: Air Conditioning - Circuit Diagram (9 Of 12)
G07575745Courtesy of © TOYOTA, LICENSE AGREEMENT TMS1002
Fig 10: Air Conditioning - Circuit Diagram (10 Of 12)
G07575746Courtesy of © TOYOTA, LICENSE AGREEMENT TMS1002
Fig 11: Air Conditioning - Circuit Diagram (11 Of 12)
G07575747Courtesy of © TOYOTA, LICENSE AGREEMENT TMS1002
Fig 12: Air Conditioning - Circuit Diagram (12 Of 12)
G07575748Courtesy of © TOYOTA, LICENSE AGREEMENT TMS1002