lemon-mirror:
Home >> Lexus >> 2011 >> LX 570 >> Repair and Diagnosis >> Electrical >> Body Electrical >> OEM System Circuits >> Cool Box >> Notes

Cool Box: Notes

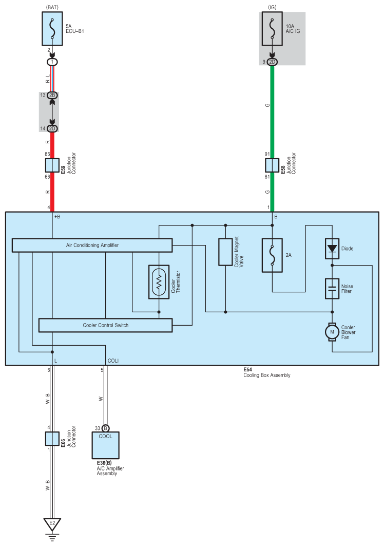
Fig 1: Cool Box - Circuit Diagram
G07575749Courtesy of © TOYOTA, LICENSE AGREEMENT TMS1002