lemon-mirror:
Home >> Lexus >> 2011 >> LX 570 >> Repair and Diagnosis >> Electrical >> Body Electrical >> OEM System Circuits >> Power Outlet >> Notes

Power Outlet: Notes

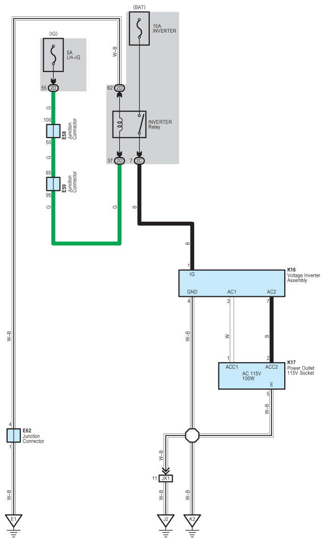
Fig 1: Power Outlet - Circuit Diagram (1 Of 2)
G07575696Courtesy of © TOYOTA, LICENSE AGREEMENT TMS1002
Fig 2: Power Outlet - Circuit Diagram (2 Of 2)
G07575697Courtesy of © TOYOTA, LICENSE AGREEMENT TMS1002