lemon-mirror:
Home >> Lexus >> 2011 >> LX 570 >> Repair and Diagnosis >> Electrical >> Body Electrical >> OEM System Circuits >> VGRS System >> Notes

VGRS System: Notes

Fig 1: VGRS System - Circuit Diagram (1 Of 4)
G07575608Courtesy of © TOYOTA, LICENSE AGREEMENT TMS1002
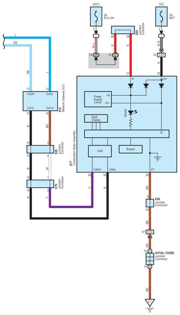
Fig 2: VGRS System - Circuit Diagram (2 Of 4)
G07575609Courtesy of © TOYOTA, LICENSE AGREEMENT TMS1002
Fig 3: VGRS System - Circuit Diagram (3 Of 4)
G07575610Courtesy of © TOYOTA, LICENSE AGREEMENT TMS1002
Fig 4: VGRS System - Circuit Diagram (4 Of 4)
G07575611Courtesy of © TOYOTA, LICENSE AGREEMENT TMS1002