lemon-mirror:
Home >> Lexus >> 2011 >> LX 570 >> Repair and Diagnosis >> Engine Performance >> Tune-Up >> Ignition System (Inspection) >> Ignition System >> System Diagram >> System Diagram

System Diagram

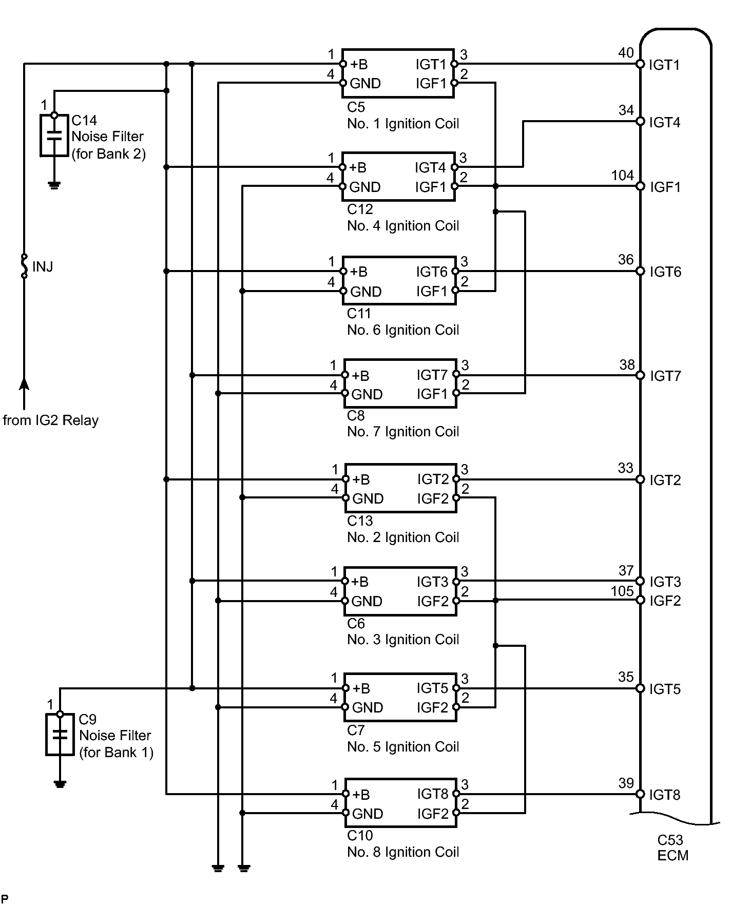
Fig 1: Ignition System Wiring Diagram (1 Of 2)
GTY148590Courtesy of © TOYOTA, LICENSE AGREEMENT TMS1002
Fig 2: Ignition System Wiring Diagram (2 Of 2)
GTY144124Courtesy of © TOYOTA, LICENSE AGREEMENT TMS1002