lemon-mirror:
Home >> Lexus >> 2011 >> RX 350 FWD >> Repair and Diagnosis >> Electrical >> Body Electrical >> OEM System Circuits >> Cooling Fan >> Notes

Cooling Fan: Notes

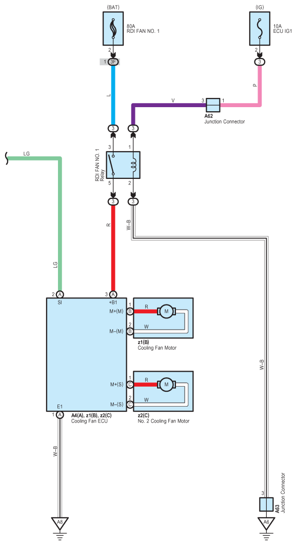
Fig 1: Cooling Fan - Circuit Diagram (1 Of 2)
G07576321Courtesy of © TOYOTA, LICENSE AGREEMENT TMS1002
Fig 2: Cooling Fan - Circuit Diagram (2 Of 2)
G07576322Courtesy of © TOYOTA, LICENSE AGREEMENT TMS1002