lemon-mirror:
Home >> Lexus >> 2011 >> RX 350 FWD >> Repair and Diagnosis >> Electrical >> Body Electrical >> OEM System Circuits >> Front Fog Light >> Notes

Front Fog Light: Notes

Fig 1: Front Fog Light - Circuit Diagram (1 Of 4)
G07576059Courtesy of © TOYOTA, LICENSE AGREEMENT TMS1002
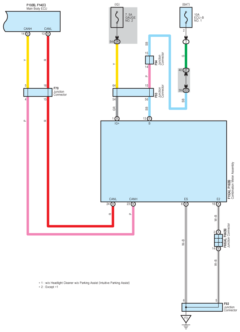
Fig 2: Front Fog Light - Circuit Diagram (2 Of 4)
G07576060Courtesy of © TOYOTA, LICENSE AGREEMENT TMS1002
Fig 3: Front Fog Light - Circuit Diagram (3 Of 4)
G07576061Courtesy of © TOYOTA, LICENSE AGREEMENT TMS1002
Fig 4: Front Fog Light - Circuit Diagram (4 Of 4)
G07576062Courtesy of © TOYOTA, LICENSE AGREEMENT TMS1002