lemon-mirror:
Home >> Lexus >> 2012 >> CT 200h Base >> Repair and Diagnosis >> Electrical >> Body Electrical >> OEM System Circuits >> Front Fog Light >> Notes

Front Fog Light: Notes

Fig 1: Front Fog Light - Wiring Diagram (1 Of 4)
G08934528Courtesy of © TOYOTA, LICENSE AGREEMENT TMS1002
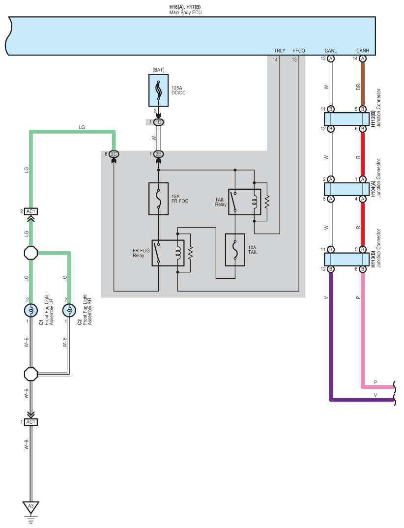
Fig 2: Front Fog Light - Wiring Diagram (2 Of 4)
G08934529Courtesy of © TOYOTA, LICENSE AGREEMENT TMS1002
Fig 3: Front Fog Light - Wiring Diagram (3 Of 4)
G08934530Courtesy of © TOYOTA, LICENSE AGREEMENT TMS1002
Fig 4: Front Fog Light - Wiring Diagram (4 Of 4)
G08934531Courtesy of © TOYOTA, LICENSE AGREEMENT TMS1002