lemon-mirror:
Home >> Lexus >> 2012 >> CT 200h Base >> Repair and Diagnosis >> Electrical >> Body Electrical >> OEM System Circuits >> Remote Control Mirror (w/Seat Position Memory) >> Notes

Remote Control Mirror (w/Seat Position Memory): Notes

Fig 1: Remote Control Mirror (W/Seat Position Memory) - Wiring Diagram (1 Of 6)
G08934616Courtesy of © TOYOTA, LICENSE AGREEMENT TMS1002
Fig 2: Remote Control Mirror (W/Seat Position Memory) - Wiring Diagram (2 Of 6)
G08934617Courtesy of © TOYOTA, LICENSE AGREEMENT TMS1002
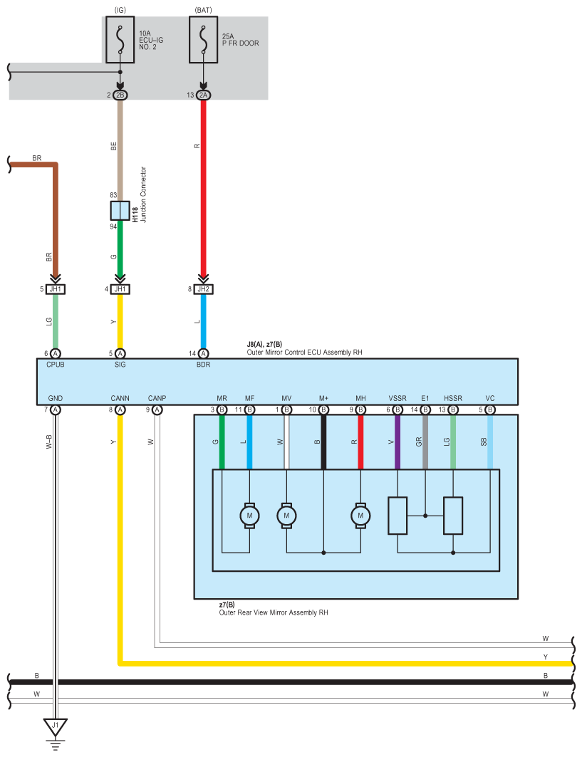
Fig 3: Remote Control Mirror (W/Seat Position Memory) - Wiring Diagram (3 Of 6)
G08934618Courtesy of © TOYOTA, LICENSE AGREEMENT TMS1002
Fig 4: Remote Control Mirror (W/Seat Position Memory) - Wiring Diagram (4 Of 6)
G08934619Courtesy of © TOYOTA, LICENSE AGREEMENT TMS1002
Fig 5: Remote Control Mirror (W/Seat Position Memory) - Wiring Diagram (5 Of 6)
G08934620Courtesy of © TOYOTA, LICENSE AGREEMENT TMS1002
Fig 6: Remote Control Mirror (W/Seat Position Memory) - Wiring Diagram (6 Of 6)
G08934621Courtesy of © TOYOTA, LICENSE AGREEMENT TMS1002