lemon-mirror:
Home >> Lexus >> 2012 >> CT 200h Base >> Repair and Diagnosis >> Electrical >> Body Electrical >> OEM System Circuits >> Remote Control Mirror (w/o Seat Position Memory) >> Notes

Remote Control Mirror (w/o Seat Position Memory): Notes

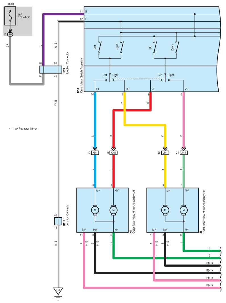
Fig 1: Remote Control Mirror (W/O Seat Position Memory) - Wiring Diagram (1 Of 2)
G08934622Courtesy of © TOYOTA, LICENSE AGREEMENT TMS1002
Fig 2: Remote Control Mirror (W/O Seat Position Memory) - Wiring Diagram (2 Of 2)
G08934623Courtesy of © TOYOTA, LICENSE AGREEMENT TMS1002