lemon-mirror:
Home >> Lexus >> 2012 >> CT 200h Base >> Repair and Diagnosis >> Electrical >> Body Electrical >> OEM System Circuits >> Sliding Roof >> Notes

Sliding Roof: Notes

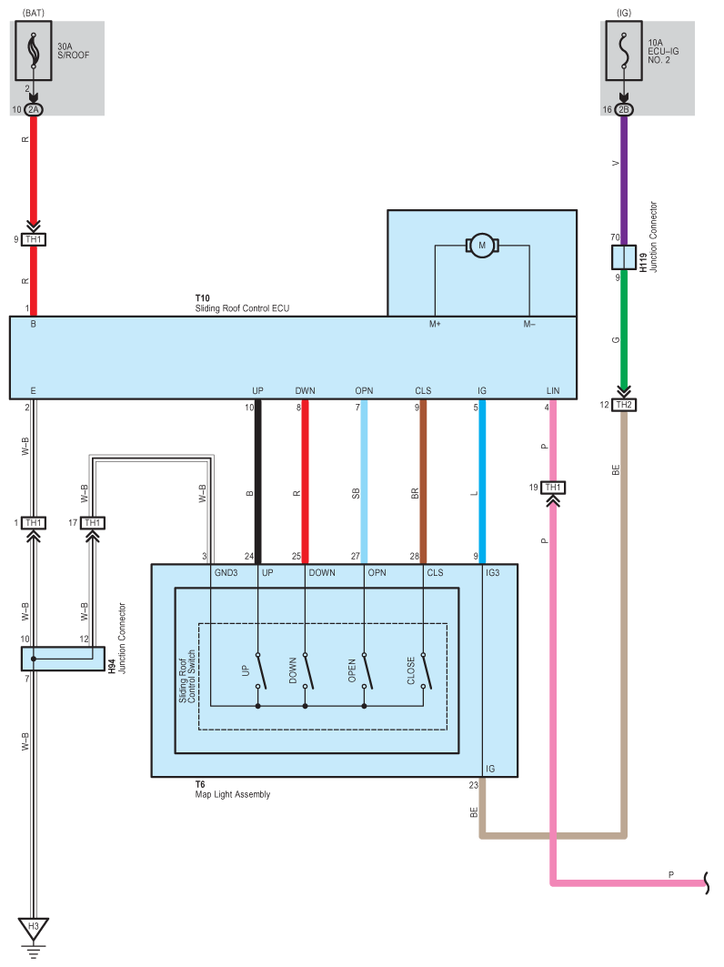
Fig 1: Sliding Roof - Wiring Diagram (1 Of 3)
G08934624Courtesy of © TOYOTA, LICENSE AGREEMENT TMS1002
Fig 2: Sliding Roof - Wiring Diagram (2 Of 3)
G08934625Courtesy of © TOYOTA, LICENSE AGREEMENT TMS1002
Fig 3: Sliding Roof - Wiring Diagram (3 Of 3)
G08934626Courtesy of © TOYOTA, LICENSE AGREEMENT TMS1002