lemon-mirror:
Home >> Lexus >> 2012 >> CT 200h Base >> Repair and Diagnosis >> Engine Performance >> System >> Engine Control System (2ZR-FXE) (Service Information) >> Integration Relay >> Inspection >> Inspection

Integration Relay: Inspection: Inspection

  1. INSPECT NO. 2 INTEGRATION RELAY 
    Fig 1: Identifying No. 2 Integration Relay
    GTY352087Courtesy of © TOYOTA, LICENSE AGREEMENT TMS1002
    TEXT IN ILLUSTRATION

    *1 Integration Relay - -
    1. IG2 RELAY:
      1. Measure the resistance according to the value(s) in the table below.
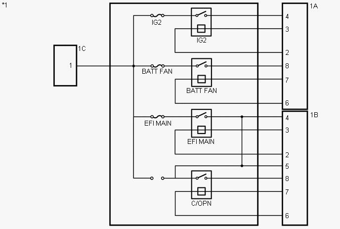
        Fig 2: Identifying 1C, 1B & 1A IG2 Relay Connector End View
        GTY227727Courtesy of © TOYOTA, LICENSE AGREEMENT TMS1002
        TEXT IN ILLUSTRATION

        *1 Integration Relay

        Standard Resistance

        Tester Connection Condition Specified Condition
        Integration relay (1C-1) - Integration relay (1A-4) Auxiliary battery voltage is not applied between terminals 1A-3 and 1A-2 10 kΩ or higher
        Integration relay (1C-1) - Integration relay (1A-4) Auxiliary battery voltage is applied between terminals 1A-3 and 1A-2 Below 1 Ω

        If the resistance is not as specified, replace the integration relay.

    2. BATT FAN RELAY:
      1. Measure the resistance according to the value(s) in the table below.
        Fig 3: Identifying 1C, 1B & 1A IG2 Relay Connector End View
        GTY227727Courtesy of © TOYOTA, LICENSE AGREEMENT TMS1002
        TEXT IN ILLUSTRATION

        *1 Integration Relay

        Standard Resistance

        Tester Connection Condition Specified Condition
        Integration relay (1C-1) - Integration relay (1A-8) Auxiliary battery voltage is not applied between terminals 1A-7 and 1A-6 10 kΩ or higher
        Integration relay (1C-1) - Integration relay (1A-8) Auxiliary battery voltage is applied between terminals 1A-7 and 1A-6 Below 1 Ω

        If the resistance is not as specified, replace the integration relay.

    3. EFI MAIN RELAY:
      1. Measure the resistance according to the value(s) in the table below.
        Fig 4: Identifying 1C, 1B & 1A IG2 Relay Connector End View
        GTY227727Courtesy of © TOYOTA, LICENSE AGREEMENT TMS1002
        TEXT IN ILLUSTRATION

        *1 Integration Relay

        Standard Resistance

        Tester Connection Condition Specified Condition
        Integration relay (1C-1) - Integration relay (1B-4) Auxiliary battery voltage is not applied between terminals 1B-2 and 1B-3 10 kΩ or higher
        Integration relay (1C-1) - Integration relay (1B-4) Auxiliary battery voltage is applied between terminals 1B-2 and 1B-3 Below 1 Ω

        If the resistance is not as specified, replace the integration relay.

    4. C/OPN RELAY:
      1. Measure the resistance according to the value(s) in the table below.
        Fig 5: Identifying 1C, 1B & 1A IG2 Relay Connector End View
        GTY227727Courtesy of © TOYOTA, LICENSE AGREEMENT TMS1002
        TEXT IN ILLUSTRATION

        *1 Integration Relay

        Standard Resistance

        Tester Connection Condition Specified Condition
        Integration relay (1B-5) - Integration relay (1B-8) Auxiliary battery voltage is not applied between terminals 1B-6 and 1B-7 10 kΩ or higher
        Integration relay (1B-5) - Integration relay (1B-8) Auxiliary battery voltage is applied between terminals 1B-6 and 1B-7 Below 1 Ω

        If the resistance is not as specified, replace the integration relay.