lemon-mirror:
Home >> Lexus >> 2012 >> GX 460 >> Repair and Diagnosis >> Electrical >> Body Electrical >> OEM System Circuits >> Cool Box >> Notes

Cool Box: Notes

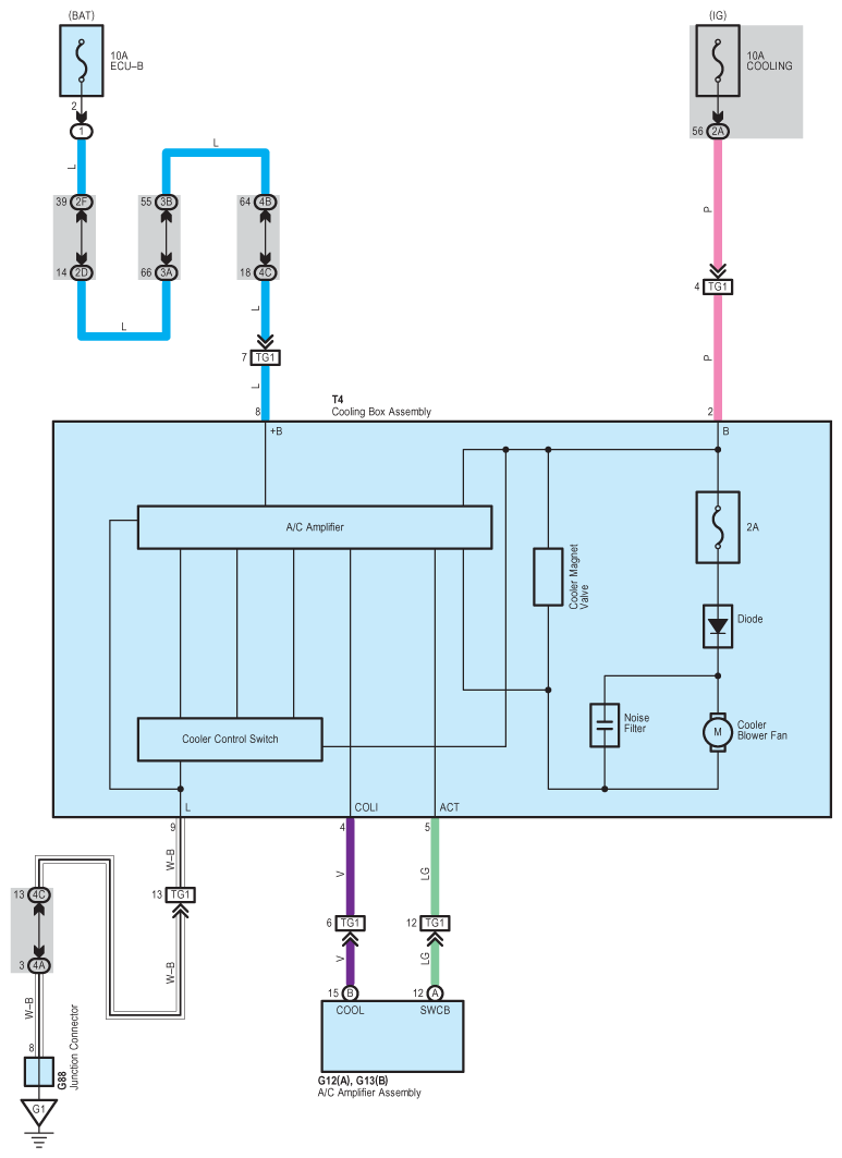
Fig 1: Cool Box - Wiring Diagram
G08931218Courtesy of © TOYOTA, LICENSE AGREEMENT TMS1002