lemon-mirror:
Home >> Lexus >> 2012 >> GX 460 >> Repair and Diagnosis >> Electrical >> Body Electrical >> OEM System Circuits >> Front Wiper and Washer >> Notes

Front Wiper and Washer: Notes

Fig 1: Front Wiper And Washer - Wiring Diagram (1 Of 5)
G08930946Courtesy of © TOYOTA, LICENSE AGREEMENT TMS1002
Fig 2: Front Wiper And Washer - Wiring Diagram (2 Of 5)
G08930947Courtesy of © TOYOTA, LICENSE AGREEMENT TMS1002
Fig 3: Front Wiper And Washer - Wiring Diagram (3 Of 5)
G08930948Courtesy of © TOYOTA, LICENSE AGREEMENT TMS1002
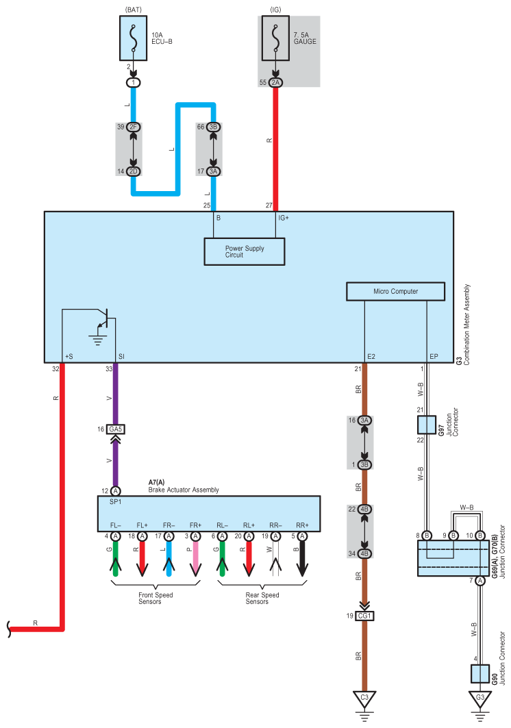
Fig 4: Front Wiper And Washer - Wiring Diagram (4 Of 5)
G08930949Courtesy of © TOYOTA, LICENSE AGREEMENT TMS1002
Fig 5: Front Wiper And Washer - Wiring Diagram (5 Of 5)
G08930950Courtesy of © TOYOTA, LICENSE AGREEMENT TMS1002