lemon-mirror:
Home >> Lexus >> 2012 >> GX 460 >> Repair and Diagnosis >> Electrical >> Body Electrical >> OEM System Circuits >> Glass Hatch Opener >> Notes

Glass Hatch Opener: Notes

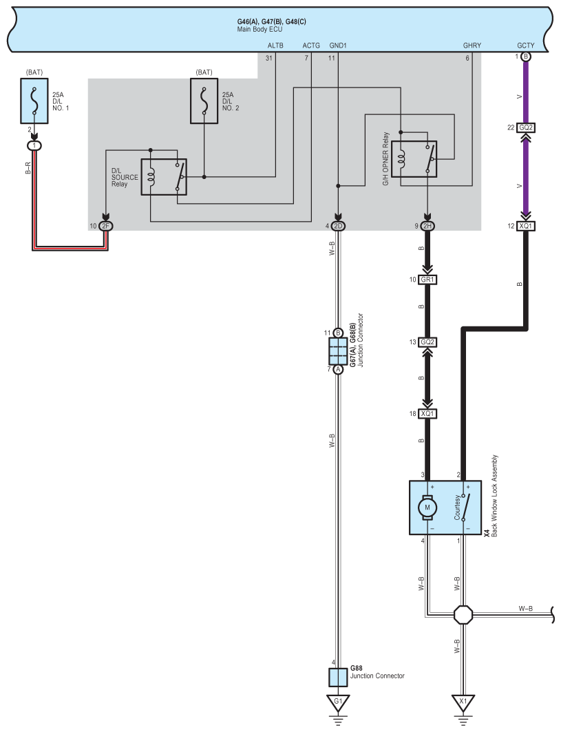
Fig 1: Glass Hatch Opener - Wiring Diagram (1 Of 5)
G08931057Courtesy of © TOYOTA, LICENSE AGREEMENT TMS1002
Fig 2: Glass Hatch Opener - Wiring Diagram (2 Of 5)
G08931058Courtesy of © TOYOTA, LICENSE AGREEMENT TMS1002
Fig 3: Glass Hatch Opener - Wiring Diagram (3 Of 5)
G08931059Courtesy of © TOYOTA, LICENSE AGREEMENT TMS1002
Fig 4: Glass Hatch Opener - Wiring Diagram (4 Of 5)
G08931060Courtesy of © TOYOTA, LICENSE AGREEMENT TMS1002
Fig 5: Glass Hatch Opener - Wiring Diagram (5 Of 5)
G08931061Courtesy of © TOYOTA, LICENSE AGREEMENT TMS1002