lemon-mirror:
Home >> Lexus >> 2012 >> GX 460 >> Repair and Diagnosis >> Electrical >> Body Electrical >> OEM System Circuits >> Headlight Cleaner >> Notes

Headlight Cleaner: Notes

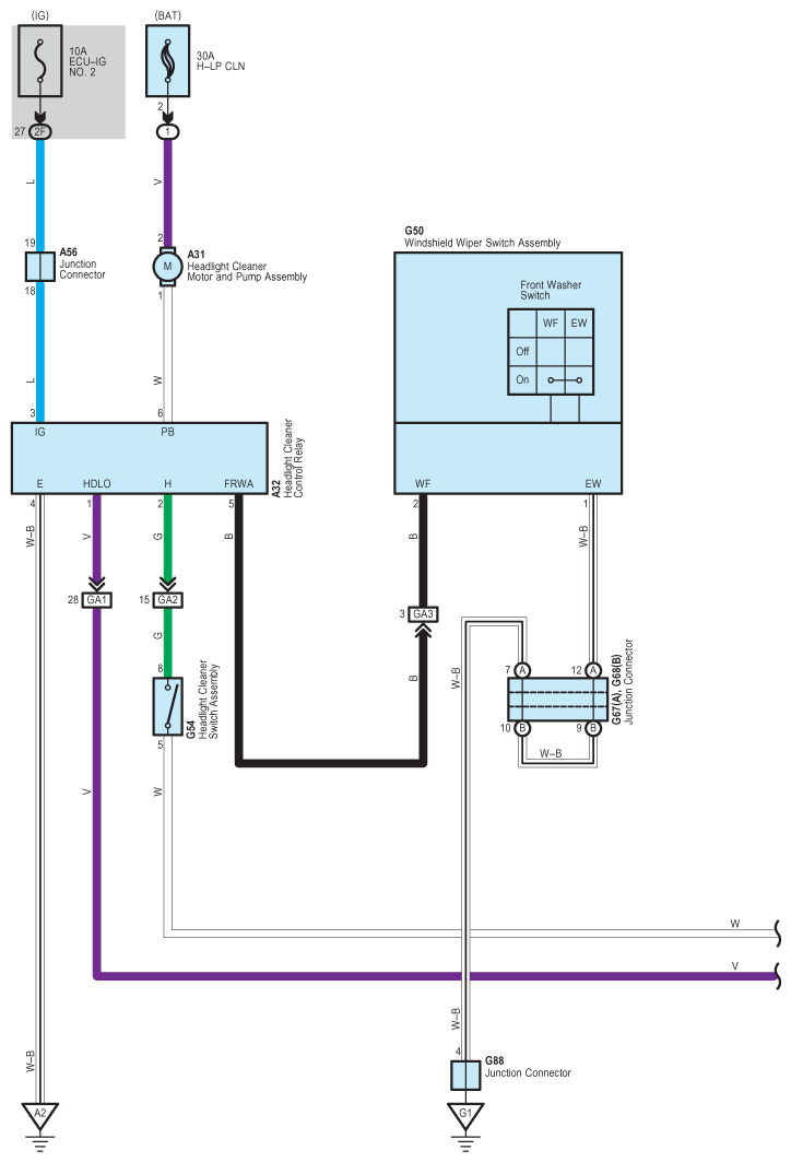
Fig 1: Headlight Cleaner - Wiring Diagram (1 Of 3)
G08930955Courtesy of © TOYOTA, LICENSE AGREEMENT TMS1002
Fig 2: Headlight Cleaner - Wiring Diagram (2 Of 3)
G08930956Courtesy of © TOYOTA, LICENSE AGREEMENT TMS1002
Fig 3: Headlight Cleaner - Wiring Diagram (3 Of 3)
G08930957Courtesy of © TOYOTA, LICENSE AGREEMENT TMS1002